Przykład weryfikacji 000050 | 3
  • 3D Viewer
  • 3D Viewer | Babylon
  • Wirtualna rzeczywistość
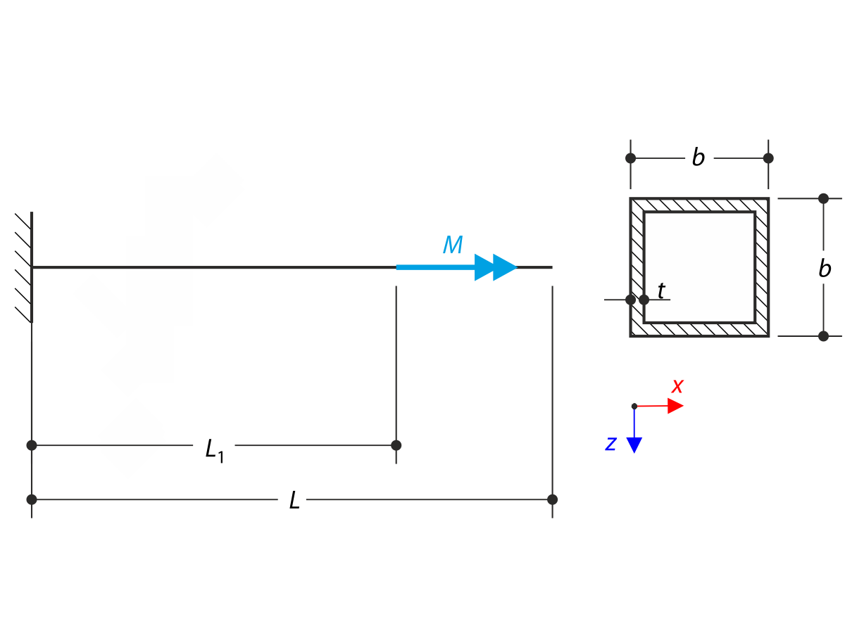
Wspornik pod wpływem skręcania bez deplanacji
  • 3D Viewer
  • 3D Viewer | Babylon
  • Wirtualna rzeczywistość
Przykład weryfikacji 000050 | 3
Wspornik pod wpływem skręcania bez deplanacji
2024-03-09
010714
  • RFEM 5
  • RSTAB 8

Przykład weryfikacji 000050 | 3

Wykorzystano w
  • Przykład weryfikacji 000050 | 3
Model 3D
Więcej o modelu 3D
  • Przykład weryfikacji 000050 | 3
Specyfikacje
Liczba węzłów 3
Liczba linii 2
Liczba prętów 2
Ilość przypadków obciążenia 1
Ciężar całkowity 0,146 t
Wymiary (metryczne) 4,200 x 0,400 x 0,400 m
Wymiary (imperialne) 13.78 x 1.31 x 1.31 feet
Wersja programu 5.03.00
Udostępnij
2024-08-13
007432
Wspornik pod wpływem skręcania bez deplanacji
Wykorzystano w
  • Podpora skręcana bez wyboczenia
Model 3D
Więcej o modelu 3D
  • Przykład weryfikacji 000050 | 3
Specyfikacje
Liczba węzłów 3
Liczba linii 2
Liczba prętów 2
Ilość przypadków obciążenia 1
Ciężar całkowity 0,146 t
Wymiary (metryczne) 4,200 x 0,400 x 0,400 m
Wymiary (imperialne) 13.78 x 1.31 x 1.31 feet
Wersja programu 5.03.00
Udostępnij