Verification Example 000048 | 4
  • 3D Viewer
  • 3D Viewer | Babylon
  • Wirtualna rzeczywistość
Zginanie jednoosiowe z ciśnieniem
  • 3D Viewer
  • 3D Viewer | Babylon
  • Wirtualna rzeczywistość
Verification Example 000048 | 4
Zginanie jednoosiowe z ciśnieniem
2024-03-09
010718
  • RFEM 5
  • RSTAB 8

Przykład weryfikacji 000048 | 4

Verification Example 000048 | 4

Wykorzystano w
  • Przykład weryfikacji 000048 | 4
Model 3D
Więcej o modelu 3D
  • Przykład weryfikacji 000048 | 4
Specyfikacje
Liczba węzłów 3
Liczba linii 2
Liczba prętów 2
Liczba powierzchni 0
Ilość brył 0
Ilość przypadków obciążenia 1
Ilość KO 0
Liczba kombinacji wyników 0
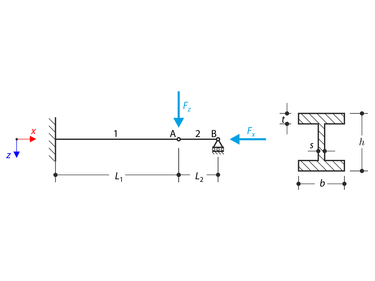
Wymiary (metryczne) 7,200 x 0,000 x 0,000 m
Wymiary (imperialne) 23.62 x 0 x 0 feet
Udostępnij
2024-08-13
007430
Zginanie jednoosiowe z ciśnieniem
Wykorzystano w
  • Proste zginanie z ściskaniem
Model 3D
Więcej o modelu 3D
  • Przykład weryfikacji 000048 | 4
Specyfikacje
Liczba węzłów 3
Liczba linii 2
Liczba prętów 2
Liczba powierzchni 0
Ilość brył 0
Ilość przypadków obciążenia 1
Ilość KO 0
Liczba kombinacji wyników 0
Wymiary (metryczne) 7,200 x 0,000 x 0,000 m
Wymiary (imperialne) 23.62 x 0 x 0 feet
Udostępnij