Przykład weryfikacji 000047 | 1
  • 3D Viewer
  • 3D Viewer | Babylon
  • Wirtualna rzeczywistość
Snap Through with Spring Supports
  • 3D Viewer
  • 3D Viewer | Babylon
  • Wirtualna rzeczywistość
Przykład weryfikacji 000047 | 1
Snap Through with Spring Supports
2024-03-09
010726
  • RFEM 5
  • RSTAB 8

Przykład weryfikacji 000047 | 1

Wykorzystano w
  • Przykład weryfikacji 000047 | 1
Model 3D
Więcej o modelu 3D
  • Przykład weryfikacji 000047 | 1
Specyfikacje
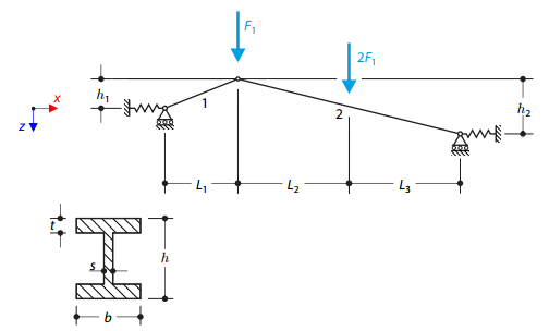
Liczba węzłów 3
Liczba linii 2
Liczba prętów 2
Liczba powierzchni 0
Ilość brył 0
Ilość przypadków obciążenia 1
Ilość KO 0
Liczba kombinacji wyników 0
Ciężar całkowity 0,689 t
Wymiary (metryczne) 10,000 x 0,520 x 0,000 m
Wymiary (imperialne) 32.81 x 1.71 x 0 feet
Udostępnij
0001-01-01
007429
Snap Through with Spring Supports
Wykorzystano w
  • Przesuw z podporą sprężystą
Model 3D
Więcej o modelu 3D
  • Przykład weryfikacji 000047 | 1
Specyfikacje
Liczba węzłów 3
Liczba linii 2
Liczba prętów 2
Liczba powierzchni 0
Ilość brył 0
Ilość przypadków obciążenia 1
Ilość KO 0
Liczba kombinacji wyników 0
Ciężar całkowity 0,689 t
Wymiary (metryczne) 10,000 x 0,520 x 0,000 m
Wymiary (imperialne) 32.81 x 1.71 x 0 feet
Udostępnij