Stożkowa rama
  • 3D Viewer
  • 3D Viewer | Babylon
  • Wirtualna rzeczywistość
Obliczanie ognioodporności
  • 3D Viewer
  • 3D Viewer | Babylon
  • Wirtualna rzeczywistość
Zredukowany przebieg przekroju i temperatury
  • 3D Viewer
  • 3D Viewer | Babylon
  • Wirtualna rzeczywistość
Stożkowa rama
Obliczanie ognioodporności
Zredukowany przebieg przekroju i temperatury
2024-05-30
020875
  • RFEM 5
  • RF-CONCRETE 5
  • Konstrukcje betonowe
    • Eurocode 2

Stożkowa rama

Wykorzystano w
  • Obliczanie odporności ogniowej prętów żelbetowych
Model 3D
Więcej o modelu 3D
  • Analiza ochrony przeciwpożarowej ramy z przyporami
Specyfikacje
Liczba węzłów 5
Liczba linii 4
Liczba prętów 4
Ilość przypadków obciążenia 3
Ilość KO 2
Ciężar całkowity 2,485 t
Wymiary (metryczne) 12,577 x 0,673 x 4,538 m
Wymiary (imperialne) 41.26 x 2.21 x 14.89 feet
Wersja programu 5.23.02
Udostępnij
2024-05-30
010240
  • RFEM 5
  • RF-CONCRETE 5
  • RSTAB 8
    • BETON 8
    • Konstrukcje betonowe
    • Eurocode 2
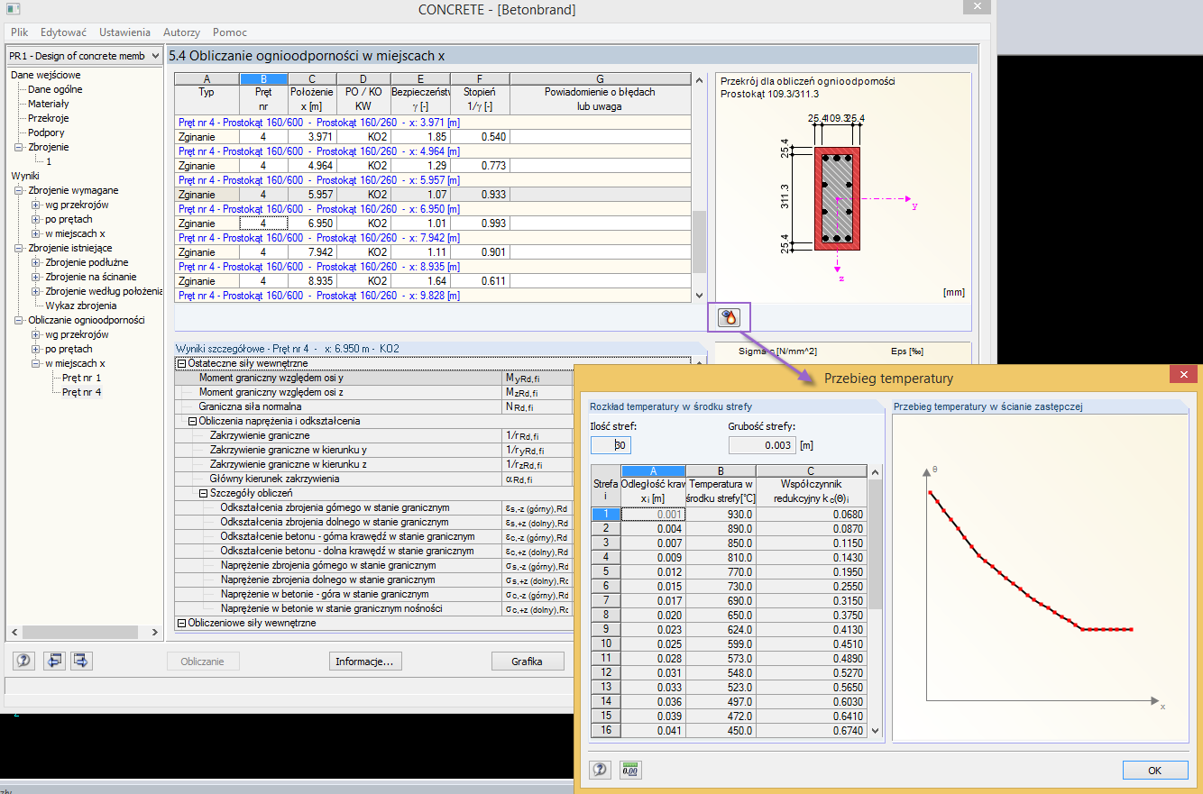
Obliczanie ognioodporności
Wykorzystano w
  • Obliczanie odporności ogniowej prętów żelbetowych
Model 3D
Więcej o modelu 3D
  • Analiza ochrony przeciwpożarowej ramy z przyporami
Specyfikacje
Liczba węzłów 5
Liczba linii 4
Liczba prętów 4
Ilość przypadków obciążenia 3
Ilość KO 2
Ciężar całkowity 2,485 t
Wymiary (metryczne) 12,577 x 0,673 x 4,538 m
Wymiary (imperialne) 41.26 x 2.21 x 14.89 feet
Wersja programu 5.23.02
Udostępnij
2024-05-30
020874
  • RFEM 5
  • RF-CONCRETE 5
  • RSTAB 8
    • BETON 8
    • Konstrukcje betonowe
    • Eurocode 2
Zredukowany przebieg przekroju i temperatury
Wykorzystano w
  • Obliczanie odporności ogniowej prętów żelbetowych
Model 3D
Więcej o modelu 3D
  • Analiza ochrony przeciwpożarowej ramy z przyporami
Specyfikacje
Liczba węzłów 5
Liczba linii 4
Liczba prętów 4
Ilość przypadków obciążenia 3
Ilość KO 2
Ciężar całkowity 2,485 t
Wymiary (metryczne) 12,577 x 0,673 x 4,538 m
Wymiary (imperialne) 41.26 x 2.21 x 14.89 feet
Wersja programu 5.23.02
Udostępnij