Szczegół połączenia stalowego z komponentem T-stub w strefie rozciągania
Szczegół połączenia stalowego z komponentem T-stub w strefie rozciągania
2025-02-13
055415
  • RFEM 6

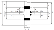
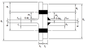
Szczegół połączenia w strefie rozciągania

Szczegół połączenia stalowego z komponentem T-stub w strefie rozciągania

Obraz przedstawia detal komponentu typu T-stub zaprojektowanego do stref rozciągania w połączeniu stalowym. Podkreśla precyzyjne miejsce styku między T-stubem a połączonymi elementami stalowymi. Poszczególne sekcje wskazują, gdzie siły rozciągania są redystrybuowane za pomocą spoin lub połączeń śrubowych. Wyraźnie oznaczone wymiary geometryczne i cechy połączenia pokazują metodę przenoszenia obciążeń w konstrukcji.
  • Rozciąganie
  • Strefa
  • Podstawa T
  • Stal
  • Połączenie
Udostępnij