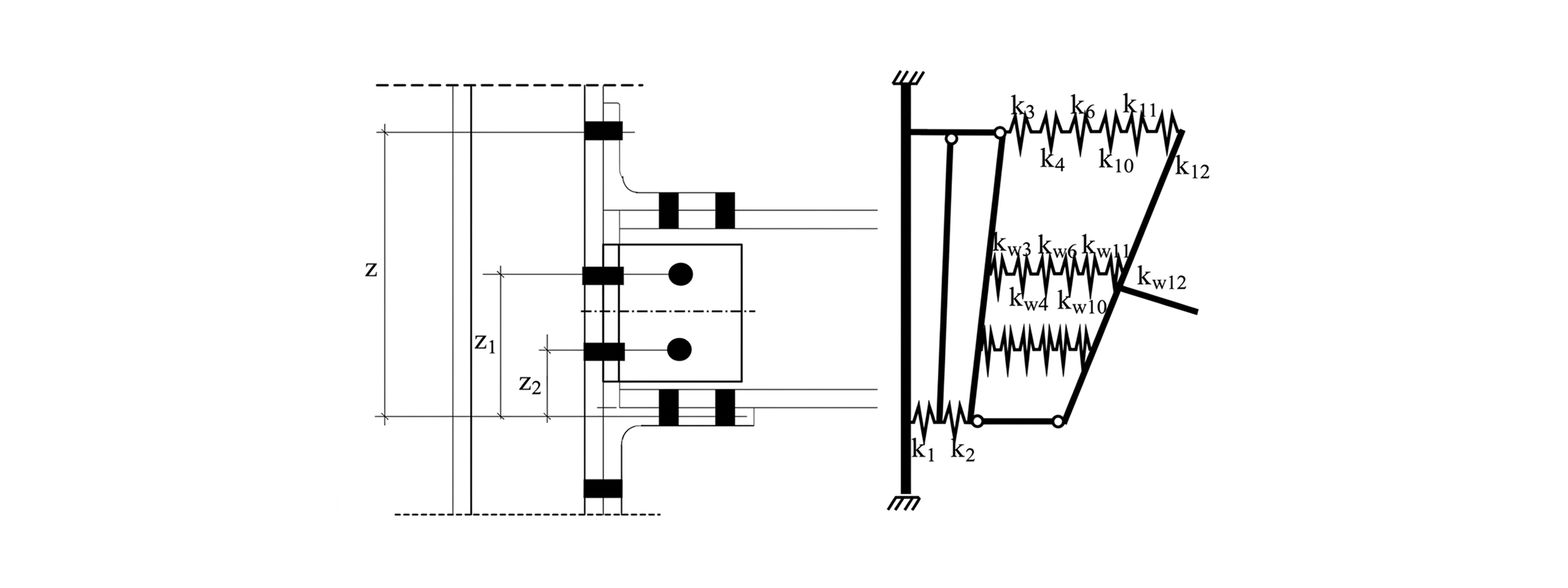
Ilustracja załącznika EC-3 J przedstawiająca połączenia kątowników na pasach i słupie oraz kątowników na środniku w modelu konstrukcyjnym
Ilustracja załącznika EC-3 J przedstawiająca połączenia kątowników na pasach i słupie oraz kątowników na środniku w modelu konstrukcyjnym
2026-03-24
061954
  • RFEM 6

Rozszerzenie EC-3 załącznika J dla połączeń kątownikowych ze łącznikiem blachy środnika i kątowników na pasie

Ilustracja załącznika EC-3 J przedstawiająca połączenia kątowników na pasach i słupie oraz kątowników na środniku w modelu konstrukcyjnym

Ilustracja przedstawia rozszerzenie EC-3 Załącznik J zastosowane dla połączeń kątowników przy Pasie i przy środku oraz kątowników środnikowych. Podkreśla połączenia strukturalne zaprojektowane w celu poprawy detali w konstrukcjach stalowych, zgodnie ze standardami Eurokodu 3. Skupia się na konfiguracji i funkcji tych konkretnych połączeń w modelu konstrukcyjnym.
  • ZAŁĄCZNIK J EC-3
  • Połączenia kątownikowe
  • Model konstrukcyjny
  • Blaszka przyścienna
  • Kątowniki przyłożone od góry i od dołu
Udostępnij