Fundament schodkowy | przekroje do wymiarowania
Fundament schodkowy | przekroje do wymiarowania
2026-04-09
062177
  • RFEM 6

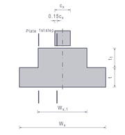
Stopa fundamentowa | Przekroje do wymiarowania

Fundament schodkowy | przekroje do wymiarowania

Udostępnij