Flexão uniaxial com compressão
  • Visualizador 3D
  • Visualizador 3D | Babylon
  • Realidade virtual
Verification Example 000048 | 4
  • Visualizador 3D
  • Visualizador 3D | Babylon
  • Realidade virtual
Flexão uniaxial com compressão
Verification Example 000048 | 4
2024-08-13
007430

Flexão uniaxial com compressão

Utilizado em
  • Flexão uniaxial com compressão
Modelo 3D
Mais sobre modelo 3D
  • Exemplo de verificação 000048 | 4
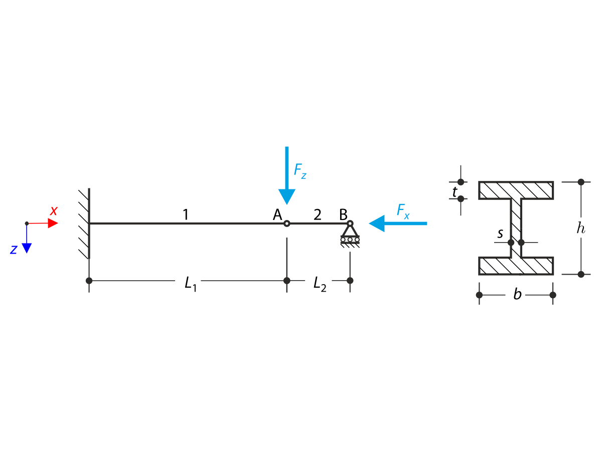
Especificações
Número de nós 3
Número de linhas 2
Número de barras 2
Número de superfícies 0
Número de sólidos 0
Número de casos de carga 1
Número de combinações de cargas 0
Número de combinações de resultados 0
Dimensões (métricas) 7,200 x 0,000 x 0,000 m
Dimensões (imperial) 23.62 x 0 x 0 feet
Partilhar
2024-03-09
010718
  • RFEM 5
  • RSTAB 8
Exemplo de verificação 000048 | 4
Verification Example 000048 | 4

Utilizado em
  • Exemplo de verificação 000048 | 4
Modelo 3D
Mais sobre modelo 3D
  • Exemplo de verificação 000048 | 4
Especificações
Número de nós 3
Número de linhas 2
Número de barras 2
Número de superfícies 0
Número de sólidos 0
Número de casos de carga 1
Número de combinações de cargas 0
Número de combinações de resultados 0
Dimensões (métricas) 7,200 x 0,000 x 0,000 m
Dimensões (imperial) 23.62 x 0 x 0 feet
Partilhar