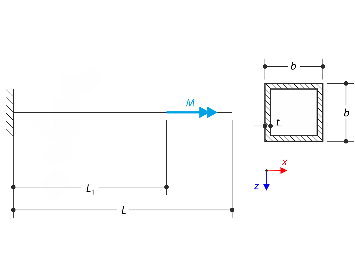
Consola sob torção sem empenamento
  • Visualizador 3D
  • Visualizador 3D | Babylon
  • Realidade virtual
Exemplo de verificação 000050 | 3
  • Visualizador 3D
  • Visualizador 3D | Babylon
  • Realidade virtual
Consola sob torção sem empenamento
Exemplo de verificação 000050 | 3
2024-08-13
007432

Consola sob torção sem empenamento

Utilizado em
  • Consola sob torção sem empenamento
Modelo 3D
Mais sobre modelo 3D
  • Exemplo de verificação 000050 | 3
Especificações
Número de nós 3
Número de linhas 2
Número de barras 2
Número de casos de carga 1
Peso total 0,146 t
Dimensões (métricas) 4,200 x 0,400 x 0,400 m
Dimensões (imperial) 13.78 x 1.31 x 1.31 feet
Versão do programa 5.03.00
Partilhar
2024-03-09
010714
  • RFEM 5
  • RSTAB 8
Exemplo de verificação 000050 | 3
Utilizado em
  • Exemplo de verificação 000050 | 3
Modelo 3D
Mais sobre modelo 3D
  • Exemplo de verificação 000050 | 3
Especificações
Número de nós 3
Número de linhas 2
Número de barras 2
Número de casos de carga 1
Peso total 0,146 t
Dimensões (métricas) 4,200 x 0,400 x 0,400 m
Dimensões (imperial) 13.78 x 1.31 x 1.31 feet
Versão do programa 5.03.00
Partilhar