Comportamento carga-deformação de a) betão sem armadura e b) Betão armado com fibra de aço
Prüfeinrichtung zur Ermittlung der Nachrissbiegezugfestigkeit (Abmessungen in mm)
Ensaio de flexão de quatro pontos com abertura de fendas concluído (imagem: BPL Müller e Lobisch GmbH)
Curva carga-deformação simbólica para determinação das resistências à tração pós-fendilhação
Gebräuchlichste Leistungsklassen L1 und L2 mit zugehörigen Grundwerten der zentrischen Nachrisszugfestigkeit
Spannungs-Dehnungs-Linie im Zugbereich nach [1] für die Schnittgrößen- und Verformungsermittlung bei nichtlinearen Verfahren
Spannungs-Dehnungs-Linie auf der Zugseite gemäß [1] für die Querschnittsbemessung im Grenzzustand der Tragfähigkeit
Spannungs-Dehnungs-Linie nach [4] für den Druckbereich: a) für die nichtlineare Berechnung; b) für die Querschnittsbemessung
Definition der Spannungs-Dehnungs-Linie des Stahlfaserbetons
Spannungs-Dehnungs-Linie des Stahlfaserbetons im Zugbereich für eine nichtlineare Berechnung
Berechnungsmodell in RFEM: ein FE-Element, links gehalten, rechts gezogen
Vorgabe der stufenweise ansteigenden Belastung
Darstellung der 1. Membranspannung im Berechnungsdiagramm
Gegenüberstellung der RFEM-Ergebnisse mit definierter Materialeigenschaft im Zugbereich
Comportamento carga-deformação de a) betão sem armadura e b) Betão armado com fibra de aço
Prüfeinrichtung zur Ermittlung der Nachrissbiegezugfestigkeit (Abmessungen in mm)
Ensaio de flexão de quatro pontos com abertura de fendas concluído (imagem: BPL Müller e Lobisch GmbH)
Curva carga-deformação simbólica para determinação das resistências à tração pós-fendilhação
Gebräuchlichste Leistungsklassen L1 und L2 mit zugehörigen Grundwerten der zentrischen Nachrisszugfestigkeit
Spannungs-Dehnungs-Linie im Zugbereich nach [1] für die Schnittgrößen- und Verformungsermittlung bei nichtlinearen Verfahren
Spannungs-Dehnungs-Linie auf der Zugseite gemäß [1] für die Querschnittsbemessung im Grenzzustand der Tragfähigkeit
Spannungs-Dehnungs-Linie nach [4] für den Druckbereich: a) für die nichtlineare Berechnung; b) für die Querschnittsbemessung
Definition der Spannungs-Dehnungs-Linie des Stahlfaserbetons
Spannungs-Dehnungs-Linie des Stahlfaserbetons im Zugbereich für eine nichtlineare Berechnung
Berechnungsmodell in RFEM: ein FE-Element, links gehalten, rechts gezogen
Vorgabe der stufenweise ansteigenden Belastung
Darstellung der 1. Membranspannung im Berechnungsdiagramm
Gegenüberstellung der RFEM-Ergebnisse mit definierter Materialeigenschaft im Zugbereich
2024-05-30
008783
  • RFEM 5
  • RF-MAT NL 5
  • Construções industriais
    • Estruturas de betão
    • Cálculos estruturais e dimensionamento
    • Análise não-linear
    • Análise de tensões
    • Eurocode 2

Comportamento carga-deformação de a) betão sem armadura e b) Betão armado com fibra de aço

Utilizado em
  • Determinação das propriedades de material de betão reforçado com fibra de aço e a sua utilização no RFEM
Partilhar
2024-05-30
008784
  • RFEM 5
  • RF-MAT NL 5
  • Construções industriais
    • Estruturas de betão
    • Cálculos estruturais e dimensionamento
    • Análise não-linear
    • Análise de tensões
    • Eurocode 2
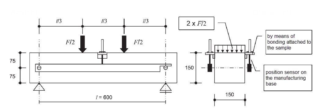
Prüfeinrichtung zur Ermittlung der Nachrissbiegezugfestigkeit (Abmessungen in mm)
Utilizado em
  • Determinação das propriedades de material de betão reforçado com fibra de aço e a sua utilização no RFEM
Partilhar
2024-05-30
008785
  • RFEM 5
  • RF-MAT NL 5
  • Construções industriais
    • Estruturas de betão
    • Cálculos estruturais e dimensionamento
    • Análise não-linear
    • Análise de tensões
    • Eurocode 2
Ensaio de flexão de quatro pontos com abertura de fendas concluído (imagem: BPL Müller e Lobisch GmbH)
Utilizado em
  • Determinação das propriedades de material de betão reforçado com fibra de aço e a sua utilização no RFEM
Partilhar
2024-05-30
008786
  • RFEM 5
  • RF-MAT NL 5
  • Construções industriais
    • Estruturas de betão
    • Cálculos estruturais e dimensionamento
    • Análise não-linear
    • Análise de tensões
    • Eurocode 2
Curva carga-deformação simbólica para determinação das resistências à tração pós-fendilhação
Utilizado em
  • Determinação das propriedades de material de betão reforçado com fibra de aço e a sua utilização no RFEM
Partilhar
2024-05-30
008787
  • RFEM 5
  • RF-MAT NL 5
  • Construções industriais
    • Estruturas de betão
    • Cálculos estruturais e dimensionamento
    • Análise não-linear
    • Análise de tensões
    • Eurocode 2
Gebräuchlichste Leistungsklassen L1 und L2 mit zugehörigen Grundwerten der zentrischen Nachrisszugfestigkeit
Utilizado em
  • Determinação das propriedades de material de betão reforçado com fibra de aço e a sua utilização no RFEM
Partilhar
2024-05-30
008788
  • RFEM 5
  • RF-MAT NL 5
  • Construções industriais
    • Estruturas de betão
    • Cálculos estruturais e dimensionamento
    • Análise não-linear
    • Análise de tensões
    • Eurocode 2
Spannungs-Dehnungs-Linie im Zugbereich nach [1] für die Schnittgrößen- und Verformungsermittlung bei nichtlinearen Verfahren
Utilizado em
  • Determinação das propriedades de material de betão reforçado com fibra de aço e a sua utilização no RFEM
Partilhar
2024-05-30
008789
  • RFEM 5
  • RF-MAT NL 5
  • Construções industriais
    • Estruturas de betão
    • Cálculos estruturais e dimensionamento
    • Análise não-linear
    • Análise de tensões
    • Eurocode 2
Spannungs-Dehnungs-Linie auf der Zugseite gemäß [1] für die Querschnittsbemessung im Grenzzustand der Tragfähigkeit
Utilizado em
  • Determinação das propriedades de material de betão reforçado com fibra de aço e a sua utilização no RFEM
Partilhar
2024-05-30
008790
  • RFEM 5
  • RF-MAT NL 5
  • Construções industriais
    • Estruturas de betão
    • Cálculos estruturais e dimensionamento
    • Análise não-linear
    • Análise de tensões
    • Eurocode 2
Spannungs-Dehnungs-Linie nach [4] für den Druckbereich: a) für die nichtlineare Berechnung; b) für die Querschnittsbemessung
Utilizado em
  • Determinação das propriedades de material de betão reforçado com fibra de aço e a sua utilização no RFEM
Partilhar
2024-05-30
008791
  • RFEM 5
  • RF-MAT NL 5
  • Construções industriais
    • Estruturas de betão
    • Cálculos estruturais e dimensionamento
    • Análise não-linear
    • Análise de tensões
    • Eurocode 2
Definition der Spannungs-Dehnungs-Linie des Stahlfaserbetons
Utilizado em
  • Determinação das propriedades de material de betão reforçado com fibra de aço e a sua utilização no RFEM
Partilhar
2024-05-30
013123
  • RFEM 5
  • RSTAB 8
Spannungs-Dehnungs-Linie des Stahlfaserbetons im Zugbereich für eine nichtlineare Berechnung
Utilizado em
  • Determinação das propriedades de material de betão reforçado com fibra de aço e a sua utilização no RFEM
Partilhar
2024-05-30
008792
  • RFEM 5
  • RF-MAT NL 5
  • Construções industriais
    • Estruturas de betão
    • Cálculos estruturais e dimensionamento
    • Análise não-linear
    • Análise de tensões
    • Eurocode 2
Modelo de cálculo no RFEM: ein FE-Element, links gehalten, rechts gezogen
Berechnungsmodell in RFEM: ein FE-Element, links gehalten, rechts gezogen

Utilizado em
  • Determinação das propriedades de material de betão reforçado com fibra de aço e a sua utilização no RFEM
Partilhar
2024-05-30
008793
  • RFEM 5
  • RF-MAT NL 5
  • Construções industriais
    • Estruturas de betão
    • Cálculos estruturais e dimensionamento
    • Análise não-linear
    • Análise de tensões
    • Eurocode 2
Vorgabe der stufenweise ansteigenden Belastung
Utilizado em
  • Determinação das propriedades de material de betão reforçado com fibra de aço e a sua utilização no RFEM
Partilhar
2024-05-30
008794
  • RFEM 5
  • RF-MAT NL 5
  • Construções industriais
    • Estruturas de betão
    • Cálculos estruturais e dimensionamento
    • Análise não-linear
    • Análise de tensões
    • Eurocode 2
Darstellung der 1. Membranspannung im Berechnungsdiagramm
Utilizado em
  • Determinação das propriedades de material de betão reforçado com fibra de aço e a sua utilização no RFEM
Partilhar
2024-05-30
008795
  • RFEM 5
  • RF-MAT NL 5
  • Construções industriais
    • Estruturas de betão
    • Cálculos estruturais e dimensionamento
    • Análise não-linear
    • Análise de tensões
    • Eurocode 2
Gegenüberstellung der RFEM-Ergebnisse mit definierter Materialeigenschaft im Zugbereich
Utilizado em
  • Determinação das propriedades de material de betão reforçado com fibra de aço e a sua utilização no RFEM
Partilhar