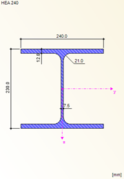
Seção de viga HEA 240, S355
Seção de viga HEA 240, S355
2024-05-30
009027
  • RFEM 5
  • RSTAB 8
  • RF-STEEL EC3 5
    • AÇO EC3 8
    • Estruturas de aço
    • Eurocode 3

Seção de viga HEA 240, S355

Utilizado em
  • Dimensionamento  da secção de uma viga de dois vãos
Partilhar