Exemplo de verificação 000105 | 2
  • Visualizador 3D
  • Visualizador 3D | Babylon
  • Realidade virtual
Equivalent Loads
  • Visualizador 3D
  • Visualizador 3D | Babylon
  • Realidade virtual
Exemplo de verificação 000105 | 2
Equivalent Loads
2024-03-09
010641
  • RFEM 5
  • RSTAB 8

Exemplo de verificação 000105 | 2

Utilizado em
  • Exemplo de verificação 000105 | 2
Modelo 3D
Mais sobre modelo 3D
  • Exemplo de verificação 000105 | 2
Especificações
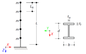
Número de nós 6
Número de barras 5
Número de casos de carga 6
Número de combinações de resultados 1
Peso total 0,211 t
Dimensões (métricas) 0,313 x 0,313 x 5,156 m
Dimensões (imperial) 1.03 x 1.03 x 16.92 feet
Versão do programa 8.05.00
Partilhar
0001-01-01
007478
Equivalent Loads
Utilizado em
  • Cargas equivalentes
Modelo 3D
Mais sobre modelo 3D
  • Exemplo de verificação 000105 | 2
Especificações
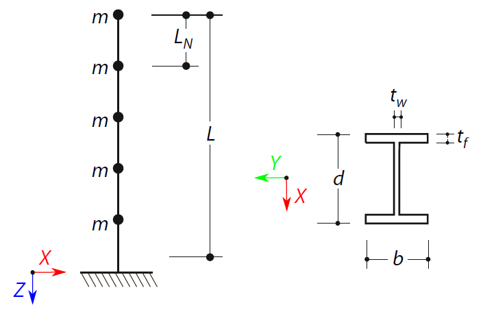
Número de nós 6
Número de barras 5
Número de casos de carga 6
Número de combinações de resultados 1
Peso total 0,211 t
Dimensões (métricas) 0,313 x 0,313 x 5,156 m
Dimensões (imperial) 1.03 x 1.03 x 16.92 feet
Versão do programa 8.05.00
Partilhar