Exemplo de verificação 000047 | 1
  • Visualizador 3D
  • Visualizador 3D | Babylon
  • Realidade virtual
Snap Through with Spring Supports
  • Visualizador 3D
  • Visualizador 3D | Babylon
  • Realidade virtual
Exemplo de verificação 000047 | 1
Snap Through with Spring Supports
2024-03-09
010726
  • RFEM 5
  • RSTAB 8

Exemplo de verificação 000047 | 1

Utilizado em
  • Exemplo de verificação 000047 | 1
Modelo 3D
Mais sobre modelo 3D
  • Exemplo de verificação 000047 | 1
Especificações
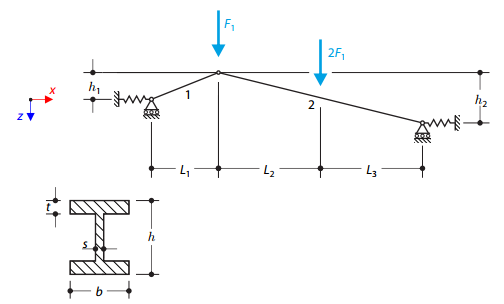
Número de nós 3
Número de linhas 2
Número de barras 2
Número de superfícies 0
Número de sólidos 0
Número de casos de carga 1
Número de combinações de cargas 0
Número de combinações de resultados 0
Peso total 0,689 t
Dimensões (métricas) 10,000 x 0,520 x 0,000 m
Dimensões (imperial) 32.81 x 1.71 x 0 feet
Partilhar
0001-01-01
007429
Snap Through with Spring Supports
Utilizado em
  • Snap-through com apoio de mola
Modelo 3D
Mais sobre modelo 3D
  • Exemplo de verificação 000047 | 1
Especificações
Número de nós 3
Número de linhas 2
Número de barras 2
Número de superfícies 0
Número de sólidos 0
Número de casos de carga 1
Número de combinações de cargas 0
Número de combinações de resultados 0
Peso total 0,689 t
Dimensões (métricas) 10,000 x 0,520 x 0,000 m
Dimensões (imperial) 32.81 x 1.71 x 0 feet
Partilhar