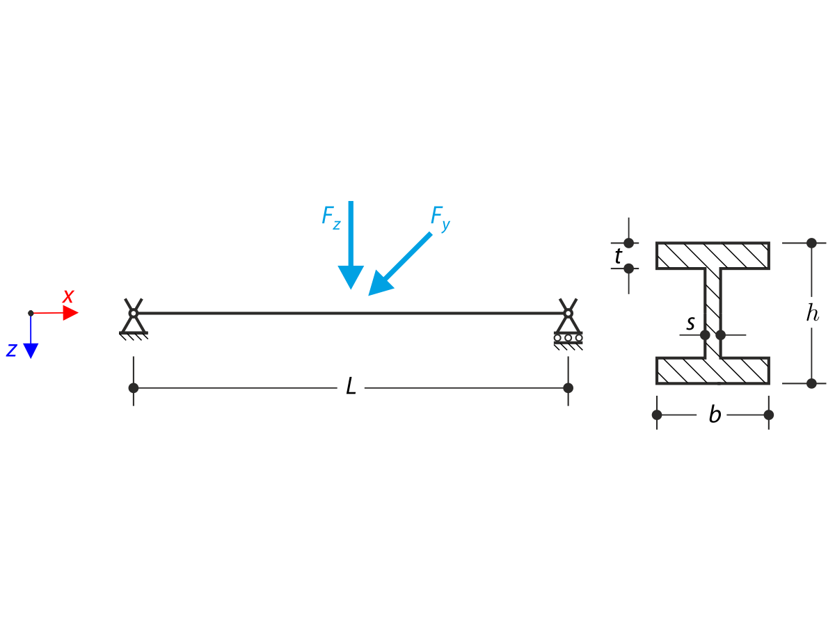
Flexão espacial com empenamento
Flexão espacial com empenamento
2024-08-13
025376
  • RFEM 5

Flexão espacial com empenamento

Utilizado em
  • Flexão espacial com empenamento
Partilhar