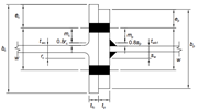
Pormenor de ligação de aço com componente T-stub de zona de tração
Pormenor de ligação de aço com componente T-stub de zona de tração
2025-02-13
055415
  • RFEM 6

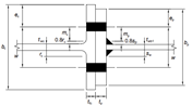
Detalhe de junta de T-basta na zona de tração

Pormenor de ligação de aço com componente T-stub de zona de tração

A imagem ilustra o detalhe de um componente em T projetado para zonas de tração numa ligação de aço. Destaca a interface precisa entre o componente em T e os elementos de aço ligados. Secções distintas indicam onde as forças de tração são redistribuídas através de soldaduras ou juntas aparafusadas. As dimensões geométricas e as características da ligação estão claramente assinaladas, mostrando o método de transferência de cargas na estrutura.
  • Tração
  • Zona
  • Perfil em T
  • Aço
  • Ligação
Partilhar