Dimensões precisas de chapa de extremidade aparafusada em desenho técnico | Detalhes de engenharia
Dimensões precisas de chapa de extremidade aparafusada em desenho técnico | Detalhes de engenharia
2025-02-25
055534
  • RFEM 6

Dimensões de chapa de extremidade aparafusada

Dimensões precisas de chapa de extremidade aparafusada em desenho técnico | Detalhes de engenharia

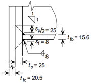
Este desenho apresenta os detalhes medidos de uma placa de extremidade aparafusada. Delineia as principais dimensões e disposições de parafusos essenciais para avaliar a estabilidade da ligação. A ilustração técnica é clara e precisa, enfatizando parâmetros estruturais sem elementos supérfluos.
  • Chapa de extremidade aparafusada
  • Detalhes das dimensões
  • Desenho técnico
  • Componente estrutural
  • Cálculo de engenharia
Partilhar