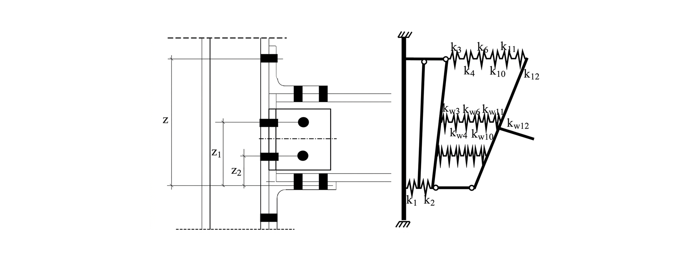
Ilustração do Anexo J do EC-3 mostrando ligações de esquadros de reforço de teto e pavimento e ligações de alma num modelo estrutural.
Ilustração do Anexo J do EC-3 mostrando ligações de esquadros de reforço de teto e pavimento e ligações de alma num modelo estrutural.
2026-03-24
061954
  • RFEM 6

Extensão do EC 3, Anexo J, para ligações com cantoneiras no topo e na base e estribo no banzo postes

Ilustração do Anexo J do EC-3 mostrando ligações de esquadros de reforço de teto e pavimento e ligações de alma num modelo estrutural.

A ilustração mostra a extensão do anexo J do EC-3 aplicada a ligações de cantoneira para alma e banzo. Realça ligações estruturais projetadas com detalhamento melhorado em estruturas de aço, de acordo com as normas do Eurocódigo 3. O foco está na configuração e função destas ligações específicas dentro de um modelo estrutural.
  • Anexo J do EC-3
  • Ligações em ângulos
  • Modelo estrutural
  • Apoio de alma
  • Topo e banqueta
Partilhar