Контрольный пример 000105 | 2
  • 3D-визуализатор
  • 3D Viewer | Babylon
  • Виртуальная реальность
Equivalent Loads
  • 3D-визуализатор
  • 3D Viewer | Babylon
  • Виртуальная реальность
Контрольный пример 000105 | 2
Equivalent Loads
2024-03-09
010641
  • RFEM 5
  • RSTAB 8

Контрольный пример 000105 | 2

Используется в
  • Пример проверки 000105 | 2
3D Модель
Подробнее о 3D модели
  • Пример проверки 000105 | 2
Спецификации
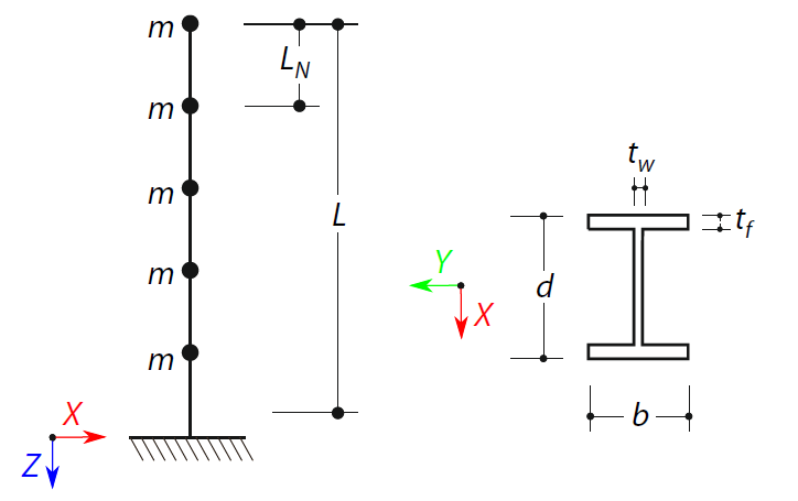
Количество узлов 6
Количество стержней 5
Количество загружений 6
Количество расчетных сочетаний 1
Общий вес 0,211 t
Размеры (метрические) 0,313 x 0,313 x 5,156 m
Размеры (имперские) 1.03 x 1.03 x 16.92 feet
Версия программы 8.05.00
Поделиться
0001-01-01
007478
Equivalent Loads
Используется в
  • Эквивалентные нагрузки
3D Модель
Подробнее о 3D модели
  • Пример проверки 000105 | 2
Спецификации
Количество узлов 6
Количество стержней 5
Количество загружений 6
Количество расчетных сочетаний 1
Общий вес 0,211 t
Размеры (метрические) 0,313 x 0,313 x 5,156 m
Размеры (имперские) 1.03 x 1.03 x 16.92 feet
Версия программы 8.05.00
Поделиться