Контрольный пример 000050 | 3
  • 3D-визуализатор
  • 3D Viewer | Babylon
  • Виртуальная реальность
Консоль под кручением без депланации
  • 3D-визуализатор
  • 3D Viewer | Babylon
  • Виртуальная реальность
Контрольный пример 000050 | 3
Консоль под кручением без депланации
2024-03-09
010714
  • RFEM 5
  • RSTAB 8

Контрольный пример 000050 | 3

Используется в
  • Контрольный пример 000050 | 3
3D Модель
Подробнее о 3D модели
  • Контрольный пример 000050 | 3
Спецификации
Количество узлов 3
Количество линий 2
Количество стержней 2
Количество загружений 1
Общий вес 0,146 t
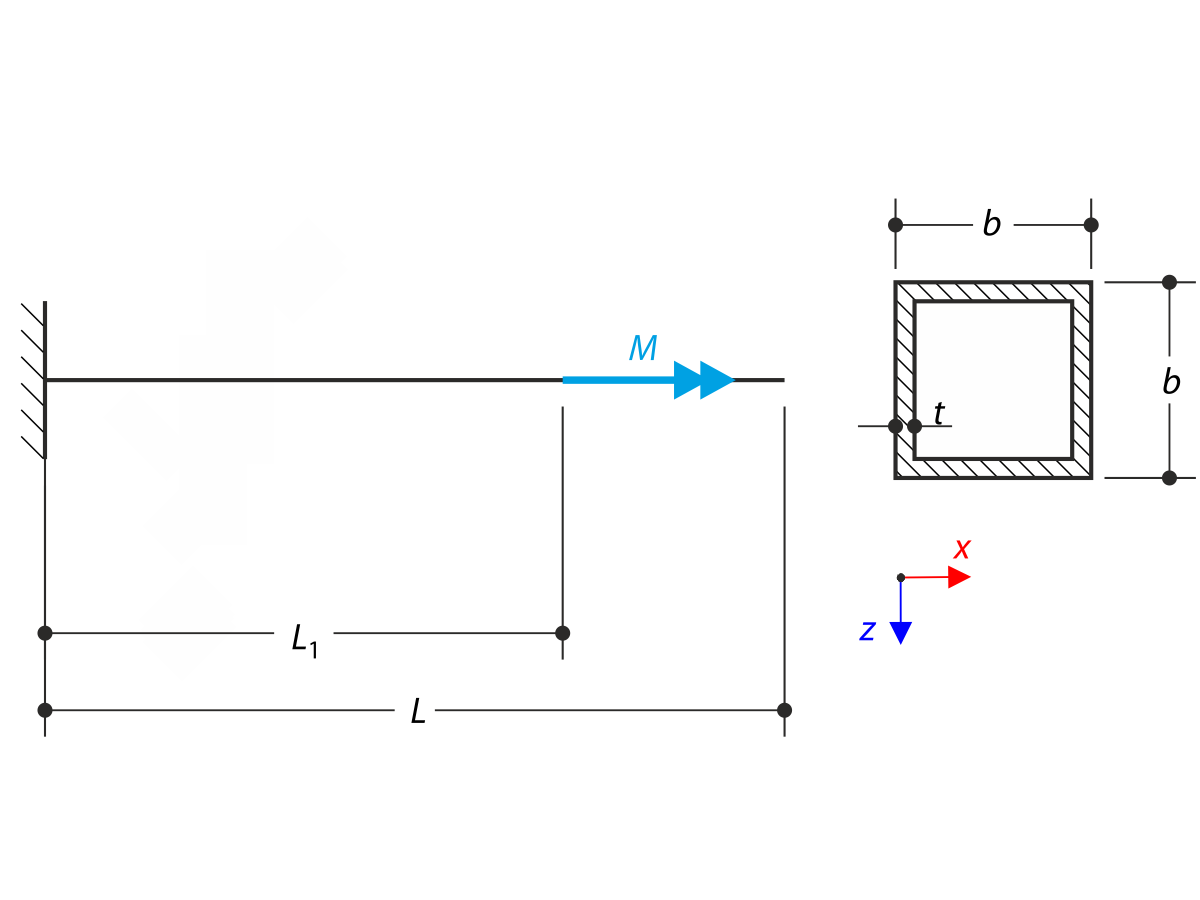
Размеры (метрические) 4,200 x 0,400 x 0,400 m
Размеры (имперские) 13.78 x 1.31 x 1.31 feet
Версия программы 5.03.00
Поделиться
2024-08-13
007432
Консоль под кручением без депланации
Используется в
  • Консоль под кручением без потери устойчивости
3D Модель
Подробнее о 3D модели
  • Контрольный пример 000050 | 3
Спецификации
Количество узлов 3
Количество линий 2
Количество стержней 2
Количество загружений 1
Общий вес 0,146 t
Размеры (метрические) 4,200 x 0,400 x 0,400 m
Размеры (имперские) 13.78 x 1.31 x 1.31 feet
Версия программы 5.03.00
Поделиться