Verification Example 000048 | 4
  • 3D-визуализатор
  • 3D Viewer | Babylon
  • Виртуальная реальность
Одноосный изгиб с давлением
  • 3D-визуализатор
  • 3D Viewer | Babylon
  • Виртуальная реальность
Verification Example 000048 | 4
Одноосный изгиб с давлением
2024-03-09
010718
  • RFEM 5
  • RSTAB 8

Контрольный пример 000048 | 4

Verification Example 000048 | 4

Используется в
  • Контрольный пример 000048 | 4
3D Модель
Подробнее о 3D модели
  • Контрольный пример 000048 | 4
Спецификации
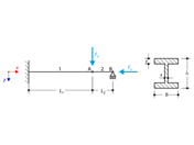
Количество узлов 3
Количество линий 2
Количество стержней 2
Количество поверхностей 0
Количество тел 0
Количество загружений 1
Количество сочетаний нагрузок 0
Количество расчетных сочетаний 0
Размеры (метрические) 7,200 x 0,000 x 0,000 m
Размеры (имперские) 23.62 x 0 x 0 feet
Поделиться
2024-08-13
007430
Одноосный изгиб с давлением
Используется в
  • Простое изгибание при сжатии
3D Модель
Подробнее о 3D модели
  • Контрольный пример 000048 | 4
Спецификации
Количество узлов 3
Количество линий 2
Количество стержней 2
Количество поверхностей 0
Количество тел 0
Количество загружений 1
Количество сочетаний нагрузок 0
Количество расчетных сочетаний 0
Размеры (метрические) 7,200 x 0,000 x 0,000 m
Размеры (имперские) 23.62 x 0 x 0 feet
Поделиться