Контрольный пример 000047 | 1
  • 3D-визуализатор
  • 3D Viewer | Babylon
  • Виртуальная реальность
Snap Through with Spring Supports
  • 3D-визуализатор
  • 3D Viewer | Babylon
  • Виртуальная реальность
Контрольный пример 000047 | 1
Snap Through with Spring Supports
2024-03-09
010726
  • RFEM 5
  • RSTAB 8

Контрольный пример 000047 | 1

Используется в
  • Контрольный пример 000047 | 1
3D Модель
Подробнее о 3D модели
  • Контрольный пример 000047 | 1
Спецификации
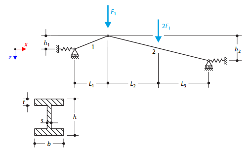
Количество узлов 3
Количество линий 2
Количество стержней 2
Количество поверхностей 0
Количество тел 0
Количество загружений 1
Количество сочетаний нагрузок 0
Количество расчетных сочетаний 0
Общий вес 0,689 t
Размеры (метрические) 10,000 x 0,520 x 0,000 m
Размеры (имперские) 32.81 x 1.71 x 0 feet
Поделиться
0001-01-01
007429
Snap Through with Spring Supports
Используется в
  • Опора с пружинной фиксацией
3D Модель
Подробнее о 3D модели
  • Контрольный пример 000047 | 1
Спецификации
Количество узлов 3
Количество линий 2
Количество стержней 2
Количество поверхностей 0
Количество тел 0
Количество загружений 1
Количество сочетаний нагрузок 0
Количество расчетных сочетаний 0
Общий вес 0,689 t
Размеры (метрические) 10,000 x 0,520 x 0,000 m
Размеры (имперские) 32.81 x 1.71 x 0 feet
Поделиться