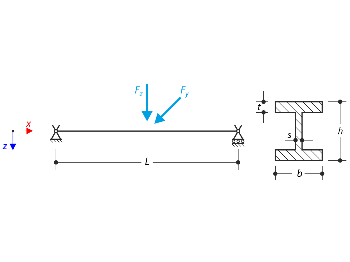
Пространственный изгиб с депланацией
Пространственный изгиб с депланацией
2024-08-13
025376
  • RFEM 5

Пространственный изгиб с депланацией

Используется в
  • Пространственный изгиб с депланацией
Поделиться