Деталь стальной связи с компонентом Т-стаб в зоне растяжения
Деталь стальной связи с компонентом Т-стаб в зоне растяжения
2025-02-13
055415
  • RFEM 6

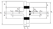
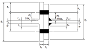
Деталь стыка Т-образного стержня с зоной растяжения

Деталь стальной связи с компонентом Т-стаб в зоне растяжения

Изображение иллюстрирует детализацию компонента Т-стопы, предназначенного для зон растяжения в стальном соединении. Подчёркивается точный интерфейс между Т-стопой и соединяемыми стальными элементами. Различные сечения указывают на места перераспределения сил растяжения с помощью сварных или болтовых соединений. Геометрические размеры и элементы соединения чётко обозначены, демонстрируя метод передачи нагрузок в конструкции.
  • Растяжение
  • Зона
  • Т-образная закладная деталь
  • Сталь
  • Соединение
Поделиться