Точные размеры болтового торцевого листа, указанные в техническом чертеже | Инженерные детали
Точные размеры болтового торцевого листа, указанные в техническом чертеже | Инженерные детали
2025-02-25
055534
  • RFEM 6

Размеры болтового торцевого листа | Документация инженерных деталей

Точные размеры болтового торцевого листа, указанные в техническом чертеже | Инженерные детали

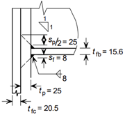
Этот чертёж представляет собой измеренные детали болтовой торцевой пластины. Он очерчивает ключевые размеры и расположение болтов, необходимые для оценки стабильности соединения. Техническая иллюстрация ясная и точная, с акцентом на конструктивные параметры без лишних элементов.
  • Концевой лист с болтами
  • Детали размеров
  • Технический чертёж
  • Несущий компонент
  • Инженерное расчёт
Поделиться