Изображение Приложения J к EC-3 с иллюстрацией соединений углов соединения поясов и стенок в расчётной модели
Изображение Приложения J к EC-3 с иллюстрацией соединений углов соединения поясов и стенок в расчётной модели
2026-03-24
061954
  • RFEM 6

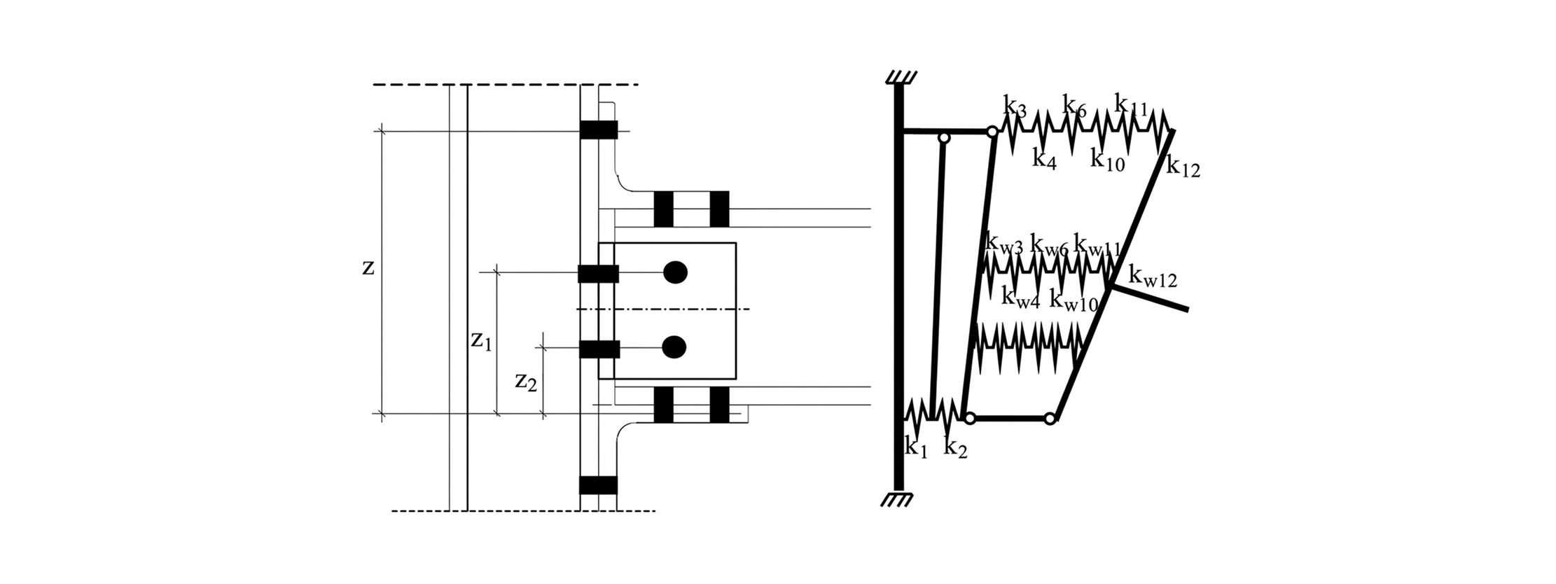
Расширение EC3 Приложения J для соединений верхних и нижних поясов, а также уголков крепления стенок

Изображение Приложения J к EC-3 с иллюстрацией соединений углов соединения поясов и стенок в расчётной модели

Иллюстрация показывает применение приложения J к EN 1993-1-8 к соединениям с верхними, нижними и пристыковыми углами. Она демонстрирует соединения, разработанные для улучшенной детализации стальных конструкций в соответствии со стандартами Еврокода 3. Основное внимание уделяется конфигурации и функции этих соединений в конструктивной модели.
  • EC-3 Приложение J
  • Угловые соединения
  • Конструктивная модель
  • Стойка к углу
  • Верхняя и нижняя диагональ
Поделиться