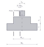
Ступенчатый фундамент | Расчетные сечения
Ступенчатый фундамент | Расчетные сечения
2026-04-09
062177
  • RFEM 6

Ступенчатый фундамент | Расчетные сечения

Поделиться