单轴受压受弯
  • 3D 查看器
  • 3D Viewer | Babylon
  • 虚拟现实
Verification Example 000048 | 4
  • 3D 查看器
  • 3D Viewer | Babylon
  • 虚拟现实
单轴受压受弯
Verification Example 000048 | 4
2024-08-13
007430

单轴受压受弯

用于
  • 简单压缩弯曲
3D 模型
更多关于 3D 模型
  • 验证示例000048 | 4
详细说明
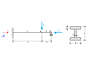
节点数目: 3
线的数目 2
杆件数目: 2
面的数目: 0
实体数目 0
荷载工况数目 1
荷载组合数目 0
结果组合数目 0
翘曲区域尺寸 7.200 x 0.000 x 0.000 m
分享
2024-03-09
010718
  • RFEM 5
  • RSTAB 8
验证示例000048 | 4
Verification Example 000048 | 4

用于
  • 验证示例000048 | 4
3D 模型
更多关于 3D 模型
  • 验证示例000048 | 4
详细说明
节点数目: 3
线的数目 2
杆件数目: 2
面的数目: 0
实体数目 0
荷载工况数目 1
荷载组合数目 0
结果组合数目 0
翘曲区域尺寸 7.200 x 0.000 x 0.000 m
分享