无翘曲扭转作用下的悬臂梁
  • 3D 查看器
  • 3D Viewer | Babylon
  • 虚拟现实
验证示例000050 | 3
  • 3D 查看器
  • 3D Viewer | Babylon
  • 虚拟现实
无翘曲扭转作用下的悬臂梁
验证示例000050 | 3
2024-08-13
007432

无翘曲扭转作用下的悬臂梁

用于
  • 悬臂在扭转作用下不屈曲
3D 模型
更多关于 3D 模型
  • 验证示例000050 | 3
详细说明
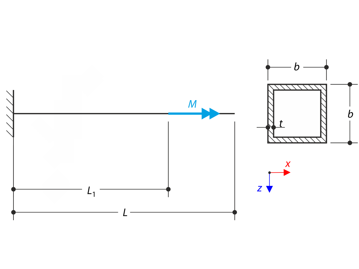
节点数目: 3
线的数目 2
杆件数目: 2
荷载工况数目 1
总重量 0,146 t
翘曲区域尺寸 4.200 x 0.400 x 0.400 m
软件版本 5.03.00
分享
2024-03-09
010714
  • RFEM 5
  • RSTAB 8
验证示例000050 | 3
用于
  • 验证示例000050 | 3
3D 模型
更多关于 3D 模型
  • 验证示例000050 | 3
详细说明
节点数目: 3
线的数目 2
杆件数目: 2
荷载工况数目 1
总重量 0,146 t
翘曲区域尺寸 4.200 x 0.400 x 0.400 m
软件版本 5.03.00
分享