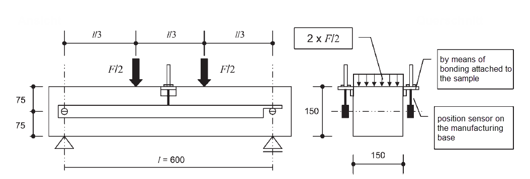
Prüfeinrichtung zur Ermittlung der Nachrissbiegezugfestigkeit (Abmessungen in mm)
Prüfeinrichtung zur Ermittlung der Nachrissbiegezugfestigkeit (Abmessungen in mm)
2024-05-30
008784
  • RFEM 5
  • RF-MAT NL 5
  • 工业和设备工程
    • 混凝土结构
    • 结构分析与设计
    • 非线性分析
    • 应力分析与计算
    • Eurocode 2

Prüfeinrichtung zur Ermittlung der Nachrissbiegezugfestigkeit (Abmessungen in mm)

用于
  • RFEM 中计算钢纤维混凝土的材料属性和工程计算
分享