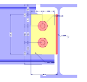
鳍板连接
鳍板连接
2024-05-30
009151
  • RFEM 5
  • RF-JOINTS Steel | 固定的5
  • RSTAB 8
    • 固定 8
    • 钢结构
    • 工业和设备工程
    • 钢结构节点连接
    • Eurocode 3

鳍板连接

用于
  • 翅片连接:理论与应用
分享