验证示例000105 | 2
  • 3D 查看器
  • 3D Viewer | Babylon
  • 虚拟现实
Equivalent Loads
  • 3D 查看器
  • 3D Viewer | Babylon
  • 虚拟现实
验证示例000105 | 2
Equivalent Loads
2024-03-09
010641
  • RFEM 5
  • RSTAB 8

验证示例000105 | 2

用于
  • 验证示例000105 | 2
3D 模型
更多关于 3D 模型
  • 验证示例000105 | 2
详细说明
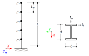
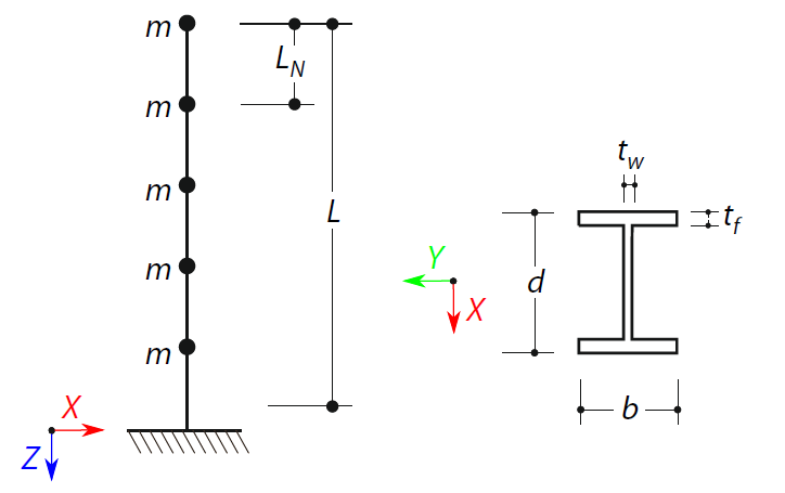
节点数目: 6
杆件数目: 5
荷载工况数目 6
结果组合数目 1
总重量 0,211 t
翘曲区域尺寸 0.313 x 0.313 x 5.156 m
软件版本 8.05.00
分享
0001-01-01
007478
Equivalent Loads
用于
  • 等效荷载
3D 模型
更多关于 3D 模型
  • 验证示例000105 | 2
详细说明
节点数目: 6
杆件数目: 5
荷载工况数目 6
结果组合数目 1
总重量 0,211 t
翘曲区域尺寸 0.313 x 0.313 x 5.156 m
软件版本 8.05.00
分享