验证示例000047 | 1
  • 3D 查看器
  • 3D Viewer | Babylon
  • 虚拟现实
Snap Through with Spring Supports
  • 3D 查看器
  • 3D Viewer | Babylon
  • 虚拟现实
验证示例000047 | 1
Snap Through with Spring Supports
2024-03-09
010726
  • RFEM 5
  • RSTAB 8

验证示例000047 | 1

用于
  • 验证示例000047 | 1
3D 模型
更多关于 3D 模型
  • 验证示例000047 | 1
详细说明
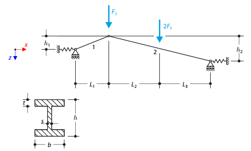
节点数目: 3
线的数目 2
杆件数目: 2
面的数目: 0
实体数目 0
荷载工况数目 1
荷载组合数目 0
结果组合数目 0
总重量 0,689 t
翘曲区域尺寸 10.000 x 0.520 x 0.000 m
分享
0001-01-01
007429
Snap Through with Spring Supports
用于
  • 弹簧支座的转变
3D 模型
更多关于 3D 模型
  • 验证示例000047 | 1
详细说明
节点数目: 3
线的数目 2
杆件数目: 2
面的数目: 0
实体数目 0
荷载工况数目 1
荷载组合数目 0
结果组合数目 0
总重量 0,689 t
翘曲区域尺寸 10.000 x 0.520 x 0.000 m
分享