截面分类 -纯压缩
截面部分的基本类型
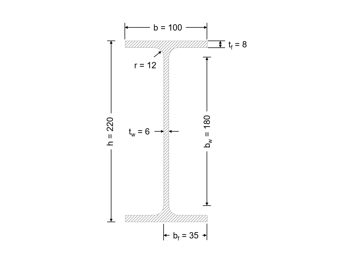
Abmessungen des Querschnitts in mm
结构模型与荷载
  • 3D 查看器
  • 3D Viewer | Babylon
  • 虚拟现实
窗口1.3截面
详细信息对话框,最终极限状态选项卡
截面分类 -纯弯曲
c/t-部件对话框
截面分类 -纯压缩
截面部分的基本类型
Abmessungen des Querschnitts in mm
结构模型与荷载
窗口1.3截面
详细信息对话框,最终极限状态选项卡
截面分类 -纯弯曲
c/t-部件对话框
2024-05-30
014723
  • RFEM 5
  • RF-ALUMINUM 5
  • RSTAB 8
    • 铝合金 8
    • 结构分析与设计
    • Eurocode 9

截面分类 -纯压缩

用于
  • 按照欧洲规范 EN 1999-1-1 进行截面分类
分享
2024-05-30
014717
  • RFEM 5
  • RF-ALUMINUM 5
  • RSTAB 8
    • 铝合金 8
    • 结构分析与设计
    • Eurocode 9
截面部分的基本类型
用于
  • 按照欧洲规范 EN 1999-1-1 进行截面分类
分享
2024-05-30
014718
  • RFEM 5
  • RF-ALUMINUM 5
  • RSTAB 8
    • 铝合金 8
    • 结构分析与设计
    • Eurocode 9
截面尺寸mm
Abmessungen des Querschnitts in mm

用于
  • 按照欧洲规范 EN 1999-1-1 进行截面分类
分享
2024-05-30
014719
  • RFEM 5
  • RF-ALUMINUM 5
  • RSTAB 8
    • 铝合金 8
    • 结构分析与设计
    • Eurocode 9
结构模型与荷载
用于
  • 按照欧洲规范 EN 1999-1-1 进行截面分类
3D 模型
更多关于 3D 模型
  • 悬臂梁第EN-AW 6082部分(EP,ET,ER/B)T4
详细说明
节点数目: 2
线的数目 1
杆件数目: 1
面的数目: 0
实体数目 0
荷载工况数目 2
荷载组合数目 1
结果组合数目 0
总重量 0,016 t
翘曲区域尺寸 2,000 x 0,000 x 0,000 m
分享
2024-05-30
014720
  • RFEM 5
  • RF-ALUMINUM 5
  • RSTAB 8
    • 铝合金 8
    • 结构分析与设计
    • Eurocode 9
窗口1.3截面
用于
  • 按照欧洲规范 EN 1999-1-1 进行截面分类
分享
2024-05-30
014721
  • RFEM 5
  • RF-ALUMINUM 5
  • RSTAB 8
    • 铝合金 8
    • 结构分析与设计
    • Eurocode 9
详细信息对话框,最终极限状态选项卡
用于
  • 按照欧洲规范 EN 1999-1-1 进行截面分类
分享
2024-05-30
014722
  • RFEM 5
  • RF-ALUMINUM 5
  • RSTAB 8
    • 铝合金 8
    • 结构分析与设计
    • Eurocode 9
截面分类 -纯弯曲
用于
  • 按照欧洲规范 EN 1999-1-1 进行截面分类
分享
2024-05-30
014724
  • RFEM 5
  • RF-ALUMINUM 5
  • RSTAB 8
    • 铝合金 8
    • 结构分析与设计
    • Eurocode 9
c/t-部件对话框
用于
  • 按照欧洲规范 EN 1999-1-1 进行截面分类
分享