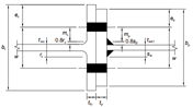
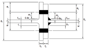
钢节点详图,展示钢节点中 T 形受拉连接节点组件的细节
钢节点详图,展示钢节点中 T 形受拉连接节点组件的细节
2025-02-13
055415
  • RFEM 6

T 形受拉连接节点详图

钢节点详图,展示钢节点中 T 形受拉连接节点组件的细节

该图显示了钢结构连接中 T 形受拉连接节点的详细设计,重点是 T 形受拉件与连接的钢构件之间的接头细节。图中清晰标示了通过焊缝或螺栓连接重新分配受拉区域的细节,明确标注了几何尺寸和连接特征,直观地展示了结构内部的荷载传递方式。
  • 受拉
  • 区域
  • T 形连接节点
  • 钢结构
  • 连接
分享