技术图纸中精确的螺栓连接端板尺寸 | 工程细节
技术图纸中精确的螺栓连接端板尺寸 | 工程细节
2025-02-25
055534
  • RFEM 6

螺栓端板尺寸

技术图纸中精确的螺栓连接端板尺寸 | 工程细节

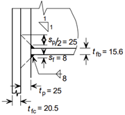
该图展示了螺栓端板的测量细节,说明了评估连接稳定性所需的关键尺寸和螺栓布置。技术插图清晰准确,强调结构参数,无冗余元素。
  • 螺栓连接端板
  • 尺寸细节
  • 技术绘图
  • 结构构件
  • 工程计算
分享