EC-3 附录 J 的示意图,显示结构模型中的顶角、座角和腹板连接角钢
EC-3 附录 J 的示意图,显示结构模型中的顶角、座角和腹板连接角钢
2026-03-24
061954
  • RFEM 6

EC-3 附录 J 顶座角钢与腹板连接件的扩展

EC-3 附录 J 的示意图,显示结构模型中的顶角、座角和腹板连接角钢

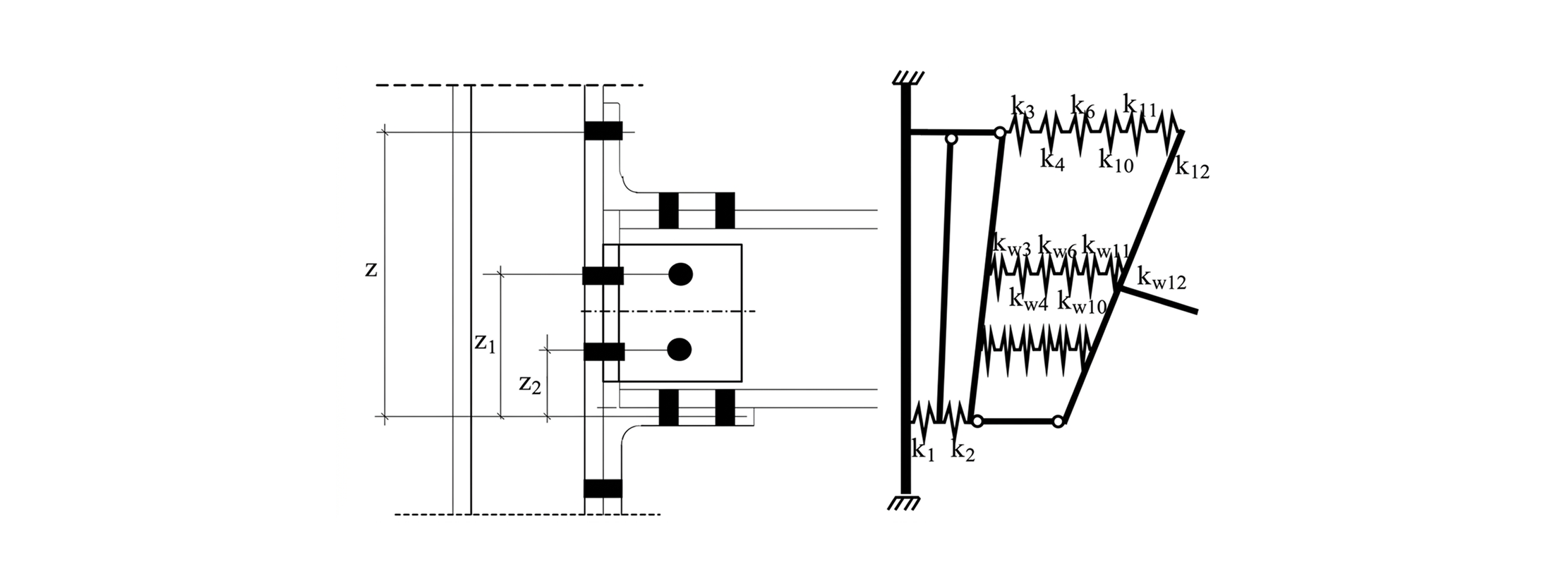
该插图展示了将 EC-3 附录 J 扩展应用于顶座角钢、腹板连接件、腹板角钢连接。按照欧盟规范 3 的标准,对钢结构中的这种结构连接进行了更详尽的规定和改进设计。重点是审视这此结构连接在结构模型中的配置和功能。
  • EC-3 附录 J
  • 角钢连接
  • 结构模型
  • 翼缘角钢连接
  • 顶底角钢连接
分享