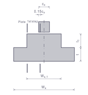
阶梯基础 | 设计截面
阶梯基础 | 设计截面
2026-04-09
062177
  • RFEM 6

阶梯基础 | 设计截面

分享