Vztah zatížení a deformace a) nevyztuženého betonu a b) drátkobetonu
Prüfeinrichtung zur Ermittlung der Nachrissbiegezugfestigkeit (Abmessungen in mm)
Dokončená čtyřbodová ohybová zkouška s trhlinou (obrázek: BPL Müller a Lobisch GmbH)
Symbolická křivka vztahu mezi zatížením a deformací pro stanovení pevnosti v tahu po vzniku trhliny
Gebräuchlichste Leistungsklassen L1 und L2 mit zugehörigen Grundwerten der zentrischen Nachrisszugfestigkeit
Spannungs-Dehnungs-Linie im Zugbereich nach [1] für die Schnittgrößen- und Verformungsermittlung bei nichtlinearen Verfahren
Spannungs-Dehnungs-Linie auf der Zugseite gemäß [1] für die Querschnittsbemessung im Grenzzustand der Tragfähigkeit
Spannungs-Dehnungs-Linie nach [4] für den Druckbereich: a) für die nichtlineare Berechnung; b) für die Querschnittsbemessung
Definition der Spannungs-Dehnungs-Linie des Stahlfaserbetons
Spannungs-Dehnungs-Linie des Stahlfaserbetons im Zugbereich für eine nichtlineare Berechnung
Berechnungsmodell in RFEM: ein FE-Element, links gehalten, rechts gezogen
Vorgabe der stufenweise ansteigenden Belastung
Darstellung der 1. Membranspannung im Berechnungsdiagramm
Gegenüberstellung der RFEM-Ergebnisse mit definierter Materialeigenschaft im Zugbereich
Vztah zatížení a deformace a) nevyztuženého betonu a b) drátkobetonu
Prüfeinrichtung zur Ermittlung der Nachrissbiegezugfestigkeit (Abmessungen in mm)
Dokončená čtyřbodová ohybová zkouška s trhlinou (obrázek: BPL Müller a Lobisch GmbH)
Symbolická křivka vztahu mezi zatížením a deformací pro stanovení pevnosti v tahu po vzniku trhliny
Gebräuchlichste Leistungsklassen L1 und L2 mit zugehörigen Grundwerten der zentrischen Nachrisszugfestigkeit
Spannungs-Dehnungs-Linie im Zugbereich nach [1] für die Schnittgrößen- und Verformungsermittlung bei nichtlinearen Verfahren
Spannungs-Dehnungs-Linie auf der Zugseite gemäß [1] für die Querschnittsbemessung im Grenzzustand der Tragfähigkeit
Spannungs-Dehnungs-Linie nach [4] für den Druckbereich: a) für die nichtlineare Berechnung; b) für die Querschnittsbemessung
Definition der Spannungs-Dehnungs-Linie des Stahlfaserbetons
Spannungs-Dehnungs-Linie des Stahlfaserbetons im Zugbereich für eine nichtlineare Berechnung
Berechnungsmodell in RFEM: ein FE-Element, links gehalten, rechts gezogen
Vorgabe der stufenweise ansteigenden Belastung
Darstellung der 1. Membranspannung im Berechnungsdiagramm
Gegenüberstellung der RFEM-Ergebnisse mit definierter Materialeigenschaft im Zugbereich
30.5.2024
008783
  • RFEM 5
  • RF-MAT NL 5
  • Průmyslové konstrukce a zařízení
    • Betonové konstrukce
    • Statické konstrukce
    • Nelineární výpočet
    • Analýza napětí
    • Eurocode 2

Vztah zatížení a deformace a) nevyztuženého betonu a b) drátkobetonu

Používá se v
  • Stanovení materiálových vlastností drátkobetonu a jeho použití v programu RFEM
Sdílet
30.5.2024
008784
  • RFEM 5
  • RF-MAT NL 5
  • Průmyslové konstrukce a zařízení
    • Betonové konstrukce
    • Statické konstrukce
    • Nelineární výpočet
    • Analýza napětí
    • Eurocode 2
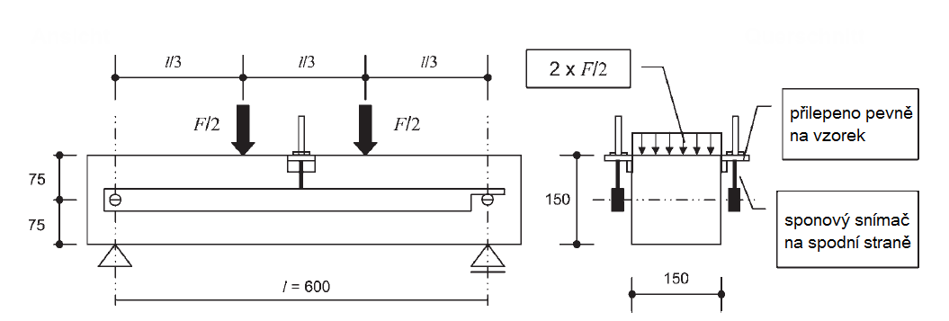
Prüfeinrichtung zur Ermittlung der Nachrissbiegezugfestigkeit (Abmessungen in mm)
Používá se v
  • Stanovení materiálových vlastností drátkobetonu a jeho použití v programu RFEM
Sdílet
30.5.2024
008785
  • RFEM 5
  • RF-MAT NL 5
  • Průmyslové konstrukce a zařízení
    • Betonové konstrukce
    • Statické konstrukce
    • Nelineární výpočet
    • Analýza napětí
    • Eurocode 2
Dokončená čtyřbodová ohybová zkouška s trhlinou (obrázek: BPL Müller a Lobisch GmbH)
Používá se v
  • Stanovení materiálových vlastností drátkobetonu a jeho použití v programu RFEM
Sdílet
30.5.2024
008786
  • RFEM 5
  • RF-MAT NL 5
  • Průmyslové konstrukce a zařízení
    • Betonové konstrukce
    • Statické konstrukce
    • Nelineární výpočet
    • Analýza napětí
    • Eurocode 2
Symbolická křivka vztahu mezi zatížením a deformací pro stanovení pevnosti v tahu po vzniku trhliny
Používá se v
  • Stanovení materiálových vlastností drátkobetonu a jeho použití v programu RFEM
Sdílet
30.5.2024
008787
  • RFEM 5
  • RF-MAT NL 5
  • Průmyslové konstrukce a zařízení
    • Betonové konstrukce
    • Statické konstrukce
    • Nelineární výpočet
    • Analýza napětí
    • Eurocode 2
Gebräuchlichste Leistungsklassen L1 und L2 mit zugehörigen Grundwerten der zentrischen Nachrisszugfestigkeit
Používá se v
  • Stanovení materiálových vlastností drátkobetonu a jeho použití v programu RFEM
Sdílet
30.5.2024
008788
  • RFEM 5
  • RF-MAT NL 5
  • Průmyslové konstrukce a zařízení
    • Betonové konstrukce
    • Statické konstrukce
    • Nelineární výpočet
    • Analýza napětí
    • Eurocode 2
Spannungs-Dehnungs-Linie im Zugbereich nach [1] für die Schnittgrößen- und Verformungsermittlung bei nichtlinearen Verfahren
Používá se v
  • Stanovení materiálových vlastností drátkobetonu a jeho použití v programu RFEM
Sdílet
30.5.2024
008789
  • RFEM 5
  • RF-MAT NL 5
  • Průmyslové konstrukce a zařízení
    • Betonové konstrukce
    • Statické konstrukce
    • Nelineární výpočet
    • Analýza napětí
    • Eurocode 2
Spannungs-Dehnungs-Linie auf der Zugseite gemäß [1] für die Querschnittsbemessung im Grenzzustand der Tragfähigkeit
Používá se v
  • Stanovení materiálových vlastností drátkobetonu a jeho použití v programu RFEM
Sdílet
30.5.2024
008790
  • RFEM 5
  • RF-MAT NL 5
  • Průmyslové konstrukce a zařízení
    • Betonové konstrukce
    • Statické konstrukce
    • Nelineární výpočet
    • Analýza napětí
    • Eurocode 2
Spannungs-Dehnungs-Linie nach [4] für den Druckbereich: a) für die nichtlineare Berechnung; b) für die Querschnittsbemessung
Používá se v
  • Stanovení materiálových vlastností drátkobetonu a jeho použití v programu RFEM
Sdílet
30.5.2024
008791
  • RFEM 5
  • RF-MAT NL 5
  • Průmyslové konstrukce a zařízení
    • Betonové konstrukce
    • Statické konstrukce
    • Nelineární výpočet
    • Analýza napětí
    • Eurocode 2
Definition der Spannungs-Dehnungs-Linie des Stahlfaserbetons
Používá se v
  • Stanovení materiálových vlastností drátkobetonu a jeho použití v programu RFEM
Sdílet
30.5.2024
013123
  • RFEM 5
  • RSTAB 8
Spannungs-Dehnungs-Linie des Stahlfaserbetons im Zugbereich für eine nichtlineare Berechnung
Používá se v
  • Stanovení materiálových vlastností drátkobetonu a jeho použití v programu RFEM
Sdílet
30.5.2024
008792
  • RFEM 5
  • RF-MAT NL 5
  • Průmyslové konstrukce a zařízení
    • Betonové konstrukce
    • Statické konstrukce
    • Nelineární výpočet
    • Analýza napětí
    • Eurocode 2
Výpočtový model v programu RFEM: ein FE-Element, links gehalten, rechts gezogen
Berechnungsmodell in RFEM: ein FE-Element, links gehalten, rechts gezogen

Používá se v
  • Stanovení materiálových vlastností drátkobetonu a jeho použití v programu RFEM
Sdílet
30.5.2024
008793
  • RFEM 5
  • RF-MAT NL 5
  • Průmyslové konstrukce a zařízení
    • Betonové konstrukce
    • Statické konstrukce
    • Nelineární výpočet
    • Analýza napětí
    • Eurocode 2
Vorgabe der stufenweise ansteigenden Belastung
Používá se v
  • Stanovení materiálových vlastností drátkobetonu a jeho použití v programu RFEM
Sdílet
30.5.2024
008794
  • RFEM 5
  • RF-MAT NL 5
  • Průmyslové konstrukce a zařízení
    • Betonové konstrukce
    • Statické konstrukce
    • Nelineární výpočet
    • Analýza napětí
    • Eurocode 2
Darstellung der 1. Membranspannung im Berechnungsdiagramm
Používá se v
  • Stanovení materiálových vlastností drátkobetonu a jeho použití v programu RFEM
Sdílet
30.5.2024
008795
  • RFEM 5
  • RF-MAT NL 5
  • Průmyslové konstrukce a zařízení
    • Betonové konstrukce
    • Statické konstrukce
    • Nelineární výpočet
    • Analýza napětí
    • Eurocode 2
Gegenüberstellung der RFEM-Ergebnisse mit definierter Materialeigenschaft im Zugbereich
Používá se v
  • Stanovení materiálových vlastností drátkobetonu a jeho použití v programu RFEM
Sdílet