14185x
001601
4.11.2019

Stanovení materiálových vlastností drátkobetonu a jeho použití v programu RFEM

Drátkobeton se v současnosti používá především v konstrukcích podlah průmyslových staveb, případně hal, u základových desek s menším zatížením, suterénních stěn a podlah. Od roku 2010, kdy německý výbor pro železobetonové konstrukce (DAfStb) zveřejnil první směrnici týkající se drátkobetonu, mají statici k dispozici normu pro posouzení tohoto kompozitního materiálu, přičemž vláknobeton se ve stavební praxi těší stále větší oblíbenosti. V našem příspěvku se budeme zabývat jednotlivými materiálovými charakteristikami drátkobetonu a také zohledněním těchto parametrů v programu RFEM pro statické výpočty metodou konečných prvků.

Materiálové charakteristiky

V případě vláknobetonu se podle DIN EN 206-1 jedná o beton, do něhož se k dosažení určitých vlastností přidávají ocelová vlákna. Při přidání dostatečného množství ocelových vláken je beton schopen odolávat tahovému napětí i po vzniku trhliny. Na obr. 01 je znázorněno obecné chování nevyztuženého betonu a betonu vyztuženého ocelovými vlákny při působení tahu. Vidíme, že tahová únosnost drátkobetonu klesá se zvyšující se deformací; křivka vztahu mezi zatížením a deformací vykazuje po dosažení pevnosti v tahu pokles.

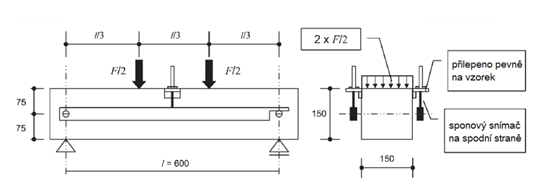
Pevnost kompozitního materiálu, jakým je drátkobeton, se po překročení pevnosti betonu v tahu nazývá pevnost v tahu po vzniku trhliny. Přitom jsou tahové síly v ocelových vláknech vztaženy na plochu tahové oblasti betonu. Pevnost v tahu po vzniku trhliny se obvykle stanoví pomocí zkoušky tahem za ohybu podle [1] v laboratoři stavebních materiálů. Jako zkušební tělesa se přitom používají nosníky o rozměrech b/h/l = 150 mm/150 mm/700 mm. Vzhledem k tomu, že pro pracovní diagram drátkobetonu je důležité chování v tahu za ohybu v oblasti porušené trhlinou, provádí se čtyřbodová ohybová zkouška. Na obr. 02 je znázorněna čtyřbodová ohybová zkouška se zakreslením rozměrů.

Protože se v případě této čtyřbodové ohybové zkoušky jedná o experiment, může se místo vzniku trhliny nacházet na zkušebním nosníku na libovolném místě - lokální namáhání mezi oběma působišti zatížení je totiž konstantní. Na obrázku níže lze po ukončeném pokusu pozorovat (tlak byl po ukončení experimentu ještě vyvíjen dál ručně pro zvětšení trhliny), že trhlina se vytvoří volně mezi oběma válci na rozhodujícím (nejslabším) místě.

Výsledky zkoušky zaznamenává křivka vztahu mezi zatížením a deformací (viz obr. 04). Z této křivky se stanoví takzvané ekvivalentní pevnosti v tahu za ohybu a dále pomocí převodních součinitelů pevnost drátkobetonu v tahu po vzniku trhliny. Rozlišujeme přitom mezi charakteristickou hodnotou pro posouzení mezního stavu použitelnosti (= malé deformace, δ = 0,5 mm) a rozhodujícím parametrem pro mezní stav únosnosti (= velké deformace, δ = 3,5 mm).

Pevnosti drátkobetonu v tahu za ohybu po vzniku trhliny se stanoví na základě hodnot zatížení F0,5 při δ = 0,5 mm a F3,5 při δ = 3,5 mm. Dosažené zatížení Li (s i=0,5, respektive 3,5) se přitom vynásobí příslušným ramenem zatížení a vydělí momentem únosnosti W j neporušeného průřezu. Průměrná hodnota pevnosti v tahu za ohybu po vzniku trhliny ffcflm,Li se stanoví u testovací řady n zkušebních nosníků jako aritmetický průměr jednotlivých hodnot pevnosti v tahu po vzniku trhliny.

Pro klasifikaci drátkobetonu jakožto kompozitního materiálu stanoví příslušná německá směrnice DAfStb dvě různé výkonnostní třídy L1 a L2. Výkonnostní třída L1 popisuje materiálové charakteristiky pro malé deformace (δ = 0,5 mm) a výkonnostní třída L2 chování pro větší deformace (δ = 3,5 mm). Označení výkonnostních tříd Li odpovídá charakteristické hodnotě pevnosti v tahu za ohybu po vzniku trhliny ffcflk,Li v N/mm² pro příslušné deformace. Charakteristická pevnost v tahu za ohybu po vzniku trhliny se vypočítá ze střední pevnosti v tahu za ohybu po vzniku trhliny ffcflm,Li podle [1] následovně.

Označení drátkobetonu je tak doplněno písmenem L pro výkonnostní třídu s charakteristickou pevností v tahu za ohybu po vzniku trhliny pro deformace 1 (MSP) a 2 (MSÚ). Drátkobeton C30/37 L0,9/ L0,6 XC1 tak má například charakteristickou pevnost v tahu za ohybu po vzniku trhliny 0,9 N/mm² pro deformaci 1 a 0,6 N/mm² pro deformaci 2.

Pracovní diagram drátkobetonu

Pro posouzení konstrukčních prvků z drátkobetonu jsou zapotřebí pracovní diagramy. Za tímto účelem se výše popsané charakteristické pevnosti v tahu za ohybu po vzniku trhliny ffcflk,Li převedou pomocí součinitelůβ na pevnosti v tahu po vzniku trhliny podle [[#Refer [1{] %\}]. V tabulce R3 směrnice DAfStb pro drátkobeton [1] jsou již uvedeny základní hodnoty pevnosti v tahu po vzniku trhliny ffct0, i pro příslušné výkonnostní třídy (viz obr. 05).

Abychom získali výpočtové hodnoty ffctR,i pro pracovní diagram, je třeba základní hodnoty pevnosti v dostředném tahu po vzniku trhliny ještě upravit dvěma opravnými součiniteli κfG a κfF.

Směrnice pro ocelová vlákna [1] předpokládá, že deformace 1 s δ = 0,5 mm při 4bodové ohybové zkoušce odpovídá přetvoření ε = 0,0035 a deformace 2 s δ = 3,5 mm odpovídá přetvoření ε = 0,025.

V závislosti na provedeném výpočtu jsou v [1] pro tahovou oblast k dispozici různé pracovní diagramy. Při nelineárním výpočtu deformací a vnitřních sil se v tahové oblasti uplatňuje multilineární vztah znázorněný na obr. 06. Lineární průběh lze přitom aplikovat až do dosažení pevnosti betonu v tahu fctm. Podle [1] je modře znázorněný diagram napětí-přetvoření na obr. 06 přípustný pouze pro drátkobeton s poměrem L2/L1 ≥ 0,7. Pokud je poměr výkonnostních tříd L2/L1 ≤ 0,7, lze použít pouze rozdělení napětí (zelená čárkovaná linie na obr. 06).

Pro posouzení průřezu v mezním stavu únosnosti nelze použít pevnost betonu v tahu fctm. Přídavná pevnost v tahu, kterou lze použít, plyne pouze z tahové síly přenášené ocelovými vlákny v trhlině. Dále je třeba uvažovat pevnosti v tahu pro posouzení únosnosti s návrhovými hodnotami ffctd,Li. Získají se vynásobením výpočtových hodnot ffctR,Li redukčním součinitelem αfc a vydělením dílčím součinitelem spolehlivosti γfct. Použití ffctd,L1 a ffctd,L2 (modrá plná čára na obr. 07) je omezeno na případy, kdy je poměr L2 / L1 ≥ 0,7. Rozdělení napětí, které je vyznačeno na obr. 07 zelenou čárkovanou linií, se může zjednodušeně použít v případě poměru L2/L1 ≤ 1.

V tlačené oblasti pracovního diagramu není žádný rozdíl mezi betonem bez vláken a betonem vyztuženým ocelovými vlákny. Pro vztah mezi napětím a přetvořením v tlačené oblasti platí beze změny ustanovení normy EN 1992-1-1 [4]. Proto se pro nelineární výpočet deformací a vnitřních deformací doporučuje parabolický diagram podle kapitoly 3.1.5 [4] (viz obr. 08 a) nebo parabolický obdélník podle kapitoly 3.1.6. síly [4] pro vztah napětí-přetvoření v tlačené oblasti.

Nelineární výpočet v programu RFEM

Podle [1] lze u konstrukčních prvků z drátkobetonu v zásadě použít nelineární metody, pokud je převážná únosnost dosažena pomocí betonářské výztuže. Ve všech ostatních případech lze nelineární výpočet uplatnit pouze u konstrukčních prvků s pružným uložením, u podvodních betonových základů se zpětným kotvením, u podkladního betonu na pilotách, u skořepinových prvků a monolitických prefabrikovaných nádrží.

V programu RFEM nyní zadáme pracovní diagram pro drátkobeton a ověříme chování materiálu - pro účely našeho článku nejdříve pouze na jediném konečném prvku při jednoosém namáhání v tahu. Tato jednoduchá zkouška nám umožní ověřit materiálový model používaný v programu RFEM v případě přenosu jednoosého namáhání tahem.

Pro nelineární výpočet vnitřních sil a deformací drátkobetonu se pracovní diagram použitý v tlačené oblasti skládá z paraboly podle 3.1.5 EN 1992-1-1 [4] ] a v tahové oblasti multilineárního průběhu se zohledněním pevnosti betonu v tahu fctm (obrázek 06). V programu RFEM je třeba použít materiálový model, který zohlední klesající větev po vzniku trhliny. Přesně toto chování vystihuje materiálový model „Izotropní poškození 2D/3D“, který nám nabízí přídavný modul RF-MAT NL programu RFEM.

Materiálový model „Izotropní poškození“ byl podrobně popsán v dřívějším příspěvku:
KB 001461 │ Nelineární materiálový model Poškození

Pracovní diagram se obecně zadává v programu RFEM. Pomocí volby „Diagram ...“ lze samostatně definovat tlačenou a taženou oblast. Jedině modul pružnosti na počátku musí být stejný pro příslušnou posloupnost v tlačené a tažené oblasti. Velikost referenčního prvku lFE,R je ponechána beze změny na délce 0,0 m. Zajistíme tak, aby zadaný pracovní diagram byl při výpočtu uvažován v oblasti poškození 1:1. Na obr. 09 vidíme zadání posuzovaného drátkobetonu ve vstupním dialogu programu RFEM.

Vzhledem k tomu, že se má chování v tahu po vzniku trhliny vyšetřit důkladněji, stanoví se vlastnosti v tažené oblasti testovaného drátkobetonu podrobněji:

  • fctm = 2,500 N/mm²
  • 1,04 ⋅ ffctr,L1 = 0,862 N/mm²
  • 1,04 ⋅ ffctr,L2 = 0,458 N/mm²

Na základě uvedených parametrů materiálu se pro taženou oblast stanoví pracovní diagram, který vidíme na obr. 10.

Abychom vyloučili vliv sousedících prvků a dvouosých stavů napjatosti na naše výsledky, zkontrolujeme materiál na konečném prvku s délkou stran 1 ⋅ 1 m. Prvek je přitom vodorovně podepřen na jedné straně a tažen na straně protilehlé. Pro získání obrazce pevnosti v tahu po vzniku trhliny je třeba zatížení aplikovat jako při řízené čtyřbodové ohybové zkoušce. Na obr. 11 je znázorněn výpočtový model v programu RFEM.

Pomocí funkce „Postupné zvyšování zatížení“ v parametrech výpočtu zatěžovacího stavu se bude deformace zvětšovat až do dosažení kritéria přerušení. Jako kritérium přerušení byl nastaven posun uzlu 25,1 mm, což odpovídá přetvoření ε 0,0251.

Výsledky výpočtu se vyhodnotí na membránovém napětí ve směru první hlavní osy σ1,m. V dialogu „Parametry výpočtu“ se nám nabízí možnost nechat zobrazit průběh výsledků výpočtu při postupném zvyšování zatížení.

Vypočítané membránové napětí přesně odpovídá zadanému průběhu pevnosti v tahu po vzniku trhliny. V následujícím diagramu je hlavní napětí σ1,m určeno pracovním diagramem pro taženou oblast drátkobetonu. Výsledky vypočítané v programu RFEM přesně odpovídají zadanému pracovnímu diagramu.

Závěr a výhled

Materiálový model „Izotropní poškození 2D/3D“ umožnil přesně ověřit chování drátkobetonu po vzniku trhliny při jednoosém namáhání v tahu. Přitom je třeba dát pozor na to, aby při podobných ověřovacích výpočtech byly vyloučeny veškeré vlivy sousedících prvků, dvouosých stavů napjatosti nebo modifikací v materiálovém modelu nastavením velikosti referenčního prvku lFE,R.


Autor

Alexander vede vývoj v oblasti masivních konstrukcí a odpovídá za další rozvoj funkcí pro železobeton a předpjatý beton. Kromě toho podporuje Customer Support při složitých otázkách dimenzování.

Odkazy
Reference
Stahování


;