Konstrukce, zatížení, vnitřní síly
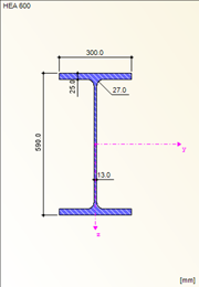
Průřez nosníku HEA 600, S235
Konstrukce, zatížení, vnitřní síly
Průřez nosníku HEA 600, S235
30.5.2024
008903
  • RFEM 5
  • RF-STEEL EC3 5
  • RSTAB 8
    • STEEL EC3 8
    • Ocelové konstrukce
    • Eurocode 3

Konstrukce, zatížení, vnitřní síly

Používá se v
  • Pružno-plastické posouzení průřezu
Sdílet
30.5.2024
008904
  • RFEM 5
  • RF-STEEL EC3 5
  • RSTAB 8
    • STEEL EC3 8
    • Ocelové konstrukce
    • Eurocode 3
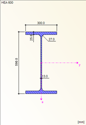
Nosníková sekce HEA 600, S235
Průřez nosníku HEA 600, S235

Používá se v
  • Pružno-plastické posouzení průřezu
Sdílet