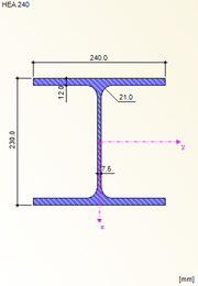
Průřez nosníku HEA 240, S355
Průřez nosníku HEA 240, S355
30.5.2024
009027
  • RFEM 5
  • RSTAB 8
  • RF-STEEL EC3 5
    • STEEL EC3 8
    • Ocelové konstrukce
    • Eurocode 3

Průřez nosníku HEA 240, S355

Používá se v
  • Posouzení průřezu nosníku o dvou polích
Sdílet