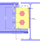
Přípoj nosníku na nosník s „dlouhou“ deskou na stojině
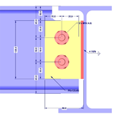
Přípoj nosníku na nosník s „krátkou“ deskou na stojině
Posuzovaná pracovní plošina
Přípoj s deskou na stojině
Posouzení v modulu RF-JOINTS Steel - Pinned
Přípoj nosníku na nosník s „dlouhou“ deskou na stojině
Přípoj nosníku na nosník s „krátkou“ deskou na stojině
Posuzovaná pracovní plošina
Přípoj s deskou na stojině
Posouzení v modulu RF-JOINTS Steel - Pinned
30.5.2024
009148
  • RFEM 5
  • RF-JOINTS Steel | Pinned 5
  • RSTAB 8
    • JOINTS Steel | Pinned 8
    • Ocelové konstrukce
    • Průmyslové konstrukce a zařízení
    • Ocelové spoje
    • Eurocode 3

Přípoj nosníku na nosník s „dlouhou“ deskou na stojině

Používá se v
  • Přípoje s deskou na stojině: Teorie a příklad použití
Sdílet
30.5.2024
009149
  • RFEM 5
  • RF-JOINTS Steel | Pinned 5
  • RSTAB 8
    • JOINTS Steel | Pinned 8
    • Ocelové konstrukce
    • Průmyslové konstrukce a zařízení
    • Ocelové spoje
    • Eurocode 3
Přípoj nosníku na nosník s „krátkou“ deskou na stojině
Používá se v
  • Přípoje s deskou na stojině: Teorie a příklad použití
Sdílet
30.5.2024
009150
  • RFEM 5
  • RF-JOINTS Steel | Pinned 5
  • RSTAB 8
    • JOINTS Steel | Pinned 8
    • Ocelové konstrukce
    • Průmyslové konstrukce a zařízení
    • Ocelové spoje
    • Eurocode 3
Posuzovaná pracovní plošina
Používá se v
  • Přípoje s deskou na stojině: Teorie a příklad použití
Sdílet
30.5.2024
009151
  • RFEM 5
  • RF-JOINTS Steel | Pinned 5
  • RSTAB 8
    • JOINTS Steel | Pinned 8
    • Ocelové konstrukce
    • Průmyslové konstrukce a zařízení
    • Ocelové spoje
    • Eurocode 3
Přípoj s deskou na stojině
Používá se v
  • Přípoje s deskou na stojině: Teorie a příklad použití
Sdílet
30.5.2024
009152
  • RFEM 5
  • RF-JOINTS Steel | Pinned 5
  • RSTAB 8
    • JOINTS Steel | Pinned 8
    • Ocelové konstrukce
    • Průmyslové konstrukce a zařízení
    • Ocelové spoje
    • Eurocode 3
Posouzení v modulu RF-JOINTS Steel - Pinned
Používá se v
  • Přípoje s deskou na stojině: Teorie a příklad použití
Sdílet