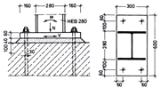
Konstrukce a zatížení podle [1]
Dialog „1.5 Patní deska a svary“ v modulu RF-/JOINTS
Dialog „1.6 Kotvy“ v modulu RF-/JOINTS
Jednotlivé stavy podle [1]
Dialog „3.1 Posouzení – shrnutí“ s podrobnými údaji o posouzení kotvy v tahu
Dialog „3.1 Posouzení – shrnutí“ s podrobnými údaji o posouzení odolnosti kotvy proti vytržení
Dialog „3.1 Posouzení – shrnutí“ s podrobnými údaji o posouzení na vytržení betonového kužele
Dialog „3.1 Posouzení – shrnutí“ s podrobnými údaji o posouzení na porušení základu rozlomením
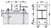
Konstrukce a zatížení podle [1]
Dialog „1.5 Patní deska a svary“ v modulu RF-/JOINTS
Dialog „1.6 Kotvy“ v modulu RF-/JOINTS
Jednotlivé stavy podle [1]
Dialog „3.1 Posouzení – shrnutí“ s podrobnými údaji o posouzení kotvy v tahu
Dialog „3.1 Posouzení – shrnutí“ s podrobnými údaji o posouzení odolnosti kotvy proti vytržení
Dialog „3.1 Posouzení – shrnutí“ s podrobnými údaji o posouzení na vytržení betonového kužele
Dialog „3.1 Posouzení – shrnutí“ s podrobnými údaji o posouzení na porušení základu rozlomením
30.5.2024
009455
  • RFEM 5
  • RSTAB 8
  • RF-JOINTS Steel | Column Base 5
    • JOINTS Steel | Column Base 8
    • Ocelové konstrukce
    • Ocelové spoje
    • Eurocode 3

Konstrukce a zatížení podle [1]

Používá se v
  • Sloup namáhaný tahem v modulu RF-/JOINTS Steel – Column Base
Sdílet
30.5.2024
009456
  • RFEM 5
  • RSTAB 8
  • RF-JOINTS Steel | Column Base 5
    • JOINTS Steel | Column Base 8
    • Ocelové konstrukce
    • Ocelové spoje
    • Eurocode 3
Dialog „1.5 Patní deska a svary“ v modulu RF-/JOINTS
Používá se v
  • Sloup namáhaný tahem v modulu RF-/JOINTS Steel – Column Base
Sdílet
30.5.2024
009457
  • RFEM 5
  • RSTAB 8
  • RF-JOINTS Steel | Column Base 5
    • JOINTS Steel | Column Base 8
    • Ocelové konstrukce
    • Ocelové spoje
    • Eurocode 3
Dialog „1.6 Kotvy“ v modulu RF-/JOINTS
Používá se v
  • Sloup namáhaný tahem v modulu RF-/JOINTS Steel – Column Base
Sdílet
30.5.2024
009458
  • RFEM 5
  • RSTAB 8
  • RF-JOINTS Steel | Column Base 5
    • JOINTS Steel | Column Base 8
    • Ocelové konstrukce
    • Ocelové spoje
    • Eurocode 3
Jednotlivé stavy podle [1]
Používá se v
  • Sloup namáhaný tahem v modulu RF-/JOINTS Steel – Column Base
Sdílet
30.5.2024
009459
  • RFEM 5
  • RSTAB 8
  • RF-JOINTS Steel | Column Base 5
    • JOINTS Steel | Column Base 8
    • Ocelové konstrukce
    • Ocelové spoje
    • Eurocode 3
Dialog „3.1 Posouzení – shrnutí“ s podrobnými údaji o posouzení kotvy v tahu
Používá se v
  • Sloup namáhaný tahem v modulu RF-/JOINTS Steel – Column Base
Sdílet
30.5.2024
009460
  • RFEM 5
  • RSTAB 8
  • RF-JOINTS Steel | Column Base 5
    • JOINTS Steel | Column Base 8
    • Ocelové konstrukce
    • Ocelové spoje
    • Eurocode 3
Dialog „3.1 Posouzení – shrnutí“ s podrobnými údaji o posouzení odolnosti kotvy proti vytržení
Používá se v
  • Sloup namáhaný tahem v modulu RF-/JOINTS Steel – Column Base
Sdílet
30.5.2024
009461
  • RFEM 5
  • RSTAB 8
  • RF-JOINTS Steel | Column Base 5
    • JOINTS Steel | Column Base 8
    • Ocelové konstrukce
    • Ocelové spoje
    • Eurocode 3
Dialog „3.1 Posouzení – shrnutí“ s podrobnými údaji o posouzení na vytržení betonového kužele
Používá se v
  • Sloup namáhaný tahem v modulu RF-/JOINTS Steel – Column Base
Sdílet
30.5.2024
009462
  • RFEM 5
  • RSTAB 8
  • RF-JOINTS Steel | Column Base 5
    • JOINTS Steel | Column Base 8
    • Ocelové konstrukce
    • Ocelové spoje
    • Eurocode 3
Dialog „3.1 Posouzení – shrnutí“ s podrobnými údaji o posouzení na porušení základu rozlomením
Používá se v
  • Sloup namáhaný tahem v modulu RF-/JOINTS Steel – Column Base
Sdílet