Klasifikace průřezu - prostý ohyb
Typy částí průřezu
Rozměry průřezu v mm
Konstrukce a zatížení
  • 3D prohlížeč
  • 3D prohlížeč | Babylon
  • Virtuální realita
Dialog 1.3 Průřezy
Dialog Detaily, záložka Únosnost
Klasifikace průřezu - prostý tlak
Dialog c/t-části
Klasifikace průřezu - prostý ohyb
Typy částí průřezu
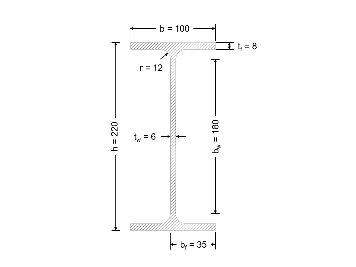
Rozměry průřezu v mm
Konstrukce a zatížení
Dialog 1.3 Průřezy
Dialog Detaily, záložka Únosnost
Klasifikace průřezu - prostý tlak
Dialog c/t-části
30.5.2024
014722
  • RFEM 5
  • RF-ALUMINIUM 5
  • RSTAB 8
    • HLINÍK 8
    • Statické konstrukce
    • Eurocode 9

Klasifikace průřezu - prostý ohyb

Používá se v
  • Klasifikace průřezů podle EN 1999-1-1
Sdílet
30.5.2024
014717
  • RFEM 5
  • RF-ALUMINIUM 5
  • RSTAB 8
    • HLINÍK 8
    • Statické konstrukce
    • Eurocode 9
Typy částí průřezu
Používá se v
  • Klasifikace průřezů podle EN 1999-1-1
Sdílet
30.5.2024
014718
  • RFEM 5
  • RF-ALUMINIUM 5
  • RSTAB 8
    • HLINÍK 8
    • Statické konstrukce
    • Eurocode 9
Rozměry průřezu v mm
Používá se v
  • Klasifikace průřezů podle EN 1999-1-1
Sdílet
30.5.2024
014719
  • RFEM 5
  • RF-ALUMINIUM 5
  • RSTAB 8
    • HLINÍK 8
    • Statické konstrukce
    • Eurocode 9
Konstrukce a zatížení
Používá se v
  • Klasifikace průřezů podle EN 1999-1-1
3D model
Více o 3D modelu
  • Konzola I-profilu EN-AW 6082 (EP,ET,ER/B) T4
Specifikace
Počet uzlů 2
Počet linií 1
Počet prutů 1
Počet ploch 0
Počet těles 0
Počet zatěžovacích stavů 2
Počet kombinací zatížení 1
Počet kombinací výsledků 0
Celková hmotnost 0,016 t
Rozměry (metrické) 2,000 x 0,000 x 0,000 m
Rozměry (imperiální) 6.56 x 0 x 0 feet
Sdílet
30.5.2024
014720
  • RFEM 5
  • RF-ALUMINIUM 5
  • RSTAB 8
    • HLINÍK 8
    • Statické konstrukce
    • Eurocode 9
Dialog 1.3 Průřezy
Používá se v
  • Klasifikace průřezů podle EN 1999-1-1
Sdílet
30.5.2024
014721
  • RFEM 5
  • RF-ALUMINIUM 5
  • RSTAB 8
    • HLINÍK 8
    • Statické konstrukce
    • Eurocode 9
Dialog Detaily, záložka Únosnost
Používá se v
  • Klasifikace průřezů podle EN 1999-1-1
Sdílet
30.5.2024
014723
  • RFEM 5
  • RF-ALUMINIUM 5
  • RSTAB 8
    • HLINÍK 8
    • Statické konstrukce
    • Eurocode 9
Klasifikace průřezu - prostý tlak
Používá se v
  • Klasifikace průřezů podle EN 1999-1-1
Sdílet
30.5.2024
014724
  • RFEM 5
  • RF-ALUMINIUM 5
  • RSTAB 8
    • HLINÍK 8
    • Statické konstrukce
    • Eurocode 9
Dialog c/t-části
Používá se v
  • Klasifikace průřezů podle EN 1999-1-1
Sdílet