26224x
001673
19.1.2021

Klasifikace průřezů podle EN 1999-1-1

Cílem klasifikace průřezů je určit, v jakém rozsahu omezuje lokální boulení únosnost a rotační kapacitu průřezů. V EN 1999-1-1, 6.1.4.2 (1) se definují čtyři třídy průřezů.
  • Průřezy třídy 1 mohou vytvářet plastické klouby s rotační kapacitou, která se požaduje při plastickém výpočtu bez redukce jejich únosnosti.
  • Průřezy třídy 2 umožňují vznik plastického momentu únosnosti, ale jejich rotační kapacita je omezena v důsledku lokálního boulení.
  • U průřezů třídy 3 může napětí v krajních tlačených vláknech hliníkového prutu dosáhnout smluvní meze 0,2 %. Vlivem lokálního boulení není ale možné dosáhnout plastický moment únosnosti.
  • U průřezů třídy 4 není vlivem lokálního boulení možné dosáhnout smluvní meze 0,2 % v jedné nebo ve více částech průřezu.

Typy částí průřezu

Klasifikace průřezu závisí na poměru šířky a tloušťky b/t tlačených částí. Podle EN 1999-1-1 [1], 6.1.4.2 (6) se tenkostěnné části dělí do následujících základních typů.

  • Rovinné vnější části průřezu
  • Rovinné vnitřní části průřezu
  • Zvlněné vnitřní části průřezu

Tyto části mohou být nevyztužené nebo vyztužené podélnými výztužnými žebry, okrajovými nálitky nebo zaoblením (obr. 01).

parametr štíhlosti

Citlivost rovinných nevyztužených částí k lokálnímu boulení se definuje součinitelem β. Podle EN 1999-1-1, 6.1.4.3 (1) nabývá následujících hodnot.

  • Rovinné vnitřní části s rovnoměrným napětím nebo rovinné přesahy s rovnoměrným napětím nebo s největším napětím na konci
    • β = b / t | EN 1999-1-1, (6.1)
  • Rovinné vnitřní části s nerovnoměrným napětím a neutrální osou ve středu
    • β = 0,40 · b / t | EN 1999-1-1, (6.2)
  • Rovinné vnitřní části s nerovnoměrným napětím nebo přesah s největším napětím v podepření
    • β = η · b / t | EN 1999-1-1, (6.3)

kde:

b šířka části průřezu
t tloušťka průřezu
η Součinitel pro gradient napětí(1)
ψ poměr napětí na okrajích uvažované desky vztažený k maximálnímu napětí v tlaku(2)

(1) Součinitel pro gradient napětí se stanoví pomocí následujících rovnic:
η = 0,70 + 0,30 · ψ pro 1 ≥ ψ ≥ -1 | EN 1999-1-1, (6.4)
η = 0,80 / (1 - ψ) pro ψ < -1 | EN 1999-1-1, (6.5)
(2) Obecně by neutrální osou měla být elastická neutrální osa, ale plastickou neutrální osu je možné použít pro kontrolu, zda je průřez třídy 1 nebo 2.

Parametry štíhlosti pro rovinné vyztužené části průřezu jsou uvedeny v EN 1999-1-1, 6.1.4.3 (3).

EN 1999-1-1, 6.1.4.3 (4) uvádí údaje o parametrech štíhlosti pro mírně zakřivené nevyztužené vnitřní části průřezu. EN 1999-1-1, 6.1.4.3 (5) se zabývá parametry štíhlosti tenkostěnných trubkových profilů.

Klasifikace částí průřezu

Pro klasifikaci je třeba porovnat vypočítané parametry štíhlosti β s mezními hodnotami β1 až β3, které se stanoví podle EN 1999-1-1, tabulky 6.2 (viz níže).

  • ε = √(250 / fo)
  • fo v N/mm²

Klasifikace materiálu podle tabulky 3.2 Vnitřní část Přesahující část
β1 β2 β3 β1 β2 β3
Třída A, bez svarů 11 16 22 3 4.5 6
Třída A, se svary 9 13 18 2,5 4 5
Třída B, bez svarů 13 16,5 18 3,5 4.5 5
Třída B, se svary 10 13,5 15 3 3,5 4

Při klasifikaci se rozlišuje mezi nosníky a tlačenými pruty. V EN 1999-1-1, 6.1.4.4 (1) jsou stanoveny následující meze.

Části nosníku

  • β ≤ β1 → třída 1
  • β1 < β ≤ β2 → třída 2
  • β2 < β ≤ β3 → třída 3
  • β3 < β → třída 4

Části tlačených prutů

  • β ≤ β2 → třída 1 nebo 2
  • β2 < β ≤ β3 → třída 3
  • β3 < β → třída 4

Každou část průřezu, která je zcela nebo částečně namáhána tlakem, je třeba zařadit do třídy průřezu. Část průřezu s nejméně příznivou třídou průřezu určuje třídu celého průřezu. Klasifikace průřezů prutů vystavených kombinaci ohybu a osových sil se provádí podle EN 1999-1-1, 6.3.3, poznámky 1 samostatně pro obě zatížení. Pro kombinaci namáhání se neklasifikuje.

Příklad

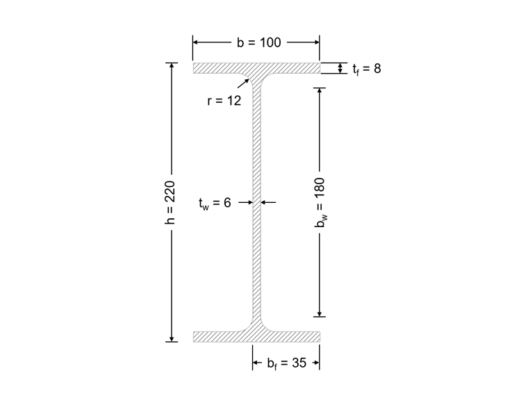
Klasifikovat budeme průřez I znázorněný na obr. 02 pro prostý ohyb a pro prostý tlak.

Konstrukci a zatížení vidíme na obr. 03.

Materiál a rozměry

  • EN-AW 6082 (EP, ET, ER/B) T4 | EN 1999-1-1, Tabulka 3.2b
  • fo = 110 N/mm²
  • fu = 205 N/mm²
  • Vzpěrnostní třída B
  • ε = √(250 / fo) = √(250 / 110) = 1,508 | EN 1999-1-1, tabulka 6.2
  • bw = h - 2 ∙ (tf + r) = 220 - 2 ∙ (8 + 12) = 180 mm
  • bf = 0,5 ∙ (b - tw - 2 ∙ r) = 0,5 ∙ (100 - 6 - 2 ∙ 12) = 35 mm

Klasifikace průřezu - prostý ohyb

Stojina (vnitřní, bez svarů, vzpěrnostní třída B)

  • βw = 0,4 ∙ bw / tw = 0,4 ∙ 180 / 6 = 12 | EN 1999-1-1, (6.2)
  • β1 = 13 ∙ ε = 13 ∙ 1,508 = 19,6 | EN 1999-1-1, tabulka 6.2
  • βw = 12 < β1 = 19,6

Stojina se zařadí do třídy průřezu 1.

Pásnice (konzolová, bez svarů, třída boulení B)

  • βf = bf / tf = 35 / 8 = 4,38 | EN 1999-1-1, (6.1)
  • β1 = 3,5 ∙ ε = 3,5 ∙ 1,508 = 5,28 | EN 1999-1-1, tabulka 6.2
  • βf = 4,38 < β1 = 5,28

Pásnice se zařadí do třídy průřezu 1.

Celý průřez se má pro prostý ohyb zařadit do třídy průřezu 1.

Klasifikace průřezu - prostý tlak

Stojina (vnitřní, bez svarů, vzpěrnostní třída B)

  • βw = bw / tw = 180 / 6 = 30 | EN 1999-1-1, (6.1)
  • β3 = 18 ∙ ε = 18 ∙ 1,508 = 27,14 | EN 1999-1-1, tabulka 6.2
  • βw = 30 > β3 = 27,14

Stojina se má zařadit do třídy průřezu 4.

Pásnice (konzolová, bez svarů, třída boulení B)

  • βf = bf / tf = 35 / 8 = 4,38 | EN 1999-1-1, (6.1)
  • β2 = 4,5 ∙ ε = 4,5 ∙ 1,508 = 6,79 | EN 1999-1-1, tabulka 6.2
  • βf = 4,38 < β2 = 6,79

Pásnice se má zařadit do třídy průřezu 1 nebo 2.

Celý průřez se má pro prostý tlak zařadit do třídy průřezu 4.

RF-/Aluminium

RF-/ALUMINUM stanoví poměr šířky a tloušťky tlačených částí průřezu a automaticky provádí klasifikaci. Třídu průřezu lze stanovit také individuálně v seznamu „Klasifikace průřezu“ v dialogu „1.3 Průřezy“ (obr. 04). Průřezy, které nejsou v normách zcela zahrnuty, se v modulu RF-/ALUMINUM zařadí mezi „Obecné“ a jsou klasifikovány jako průřezy třídy 3 nebo 4.

RF-/ALUMINUM zohledňuje pouze nevyztužené části průřezu podle EN 1999-1-1, obr. 6.1 (a) a dále tenkostěnné trubkové průřezy podle EN 1999-1-1, 6.1.4.3 (5). Mírně zakřivené nevyztužené vnitřní části průřezu podle EN 1999-1-1, 6.1.4.3 (4) lze zohlednit pouze při výpočtu zjednodušenou analytickou metodou. Vliv výztuh podle EN 1999-1-1, 6.1.4.3 (3) se neuvažuje.

Klasifikace průřezů prutů vystavených kombinaci ohybu a osových sil se v modulu RF-/ALUMINIUM provádí podle EN 1999-1-1, 6.3.3, poznámky 1 samostatně pro obě zatížení. Lze ovšem provést klasifikaci i pro kombinaci namáhání. K tomu je třeba v záložce „Únosnost“ dialogu „Detaily“ zrušit označení políčka „Odděleně klasifikovat složky zatížení podle 6.3.3 poznámka 1 a poznámka 2“ (obr. 05).

Klasifikace průřezu se v přídavném modulu RF-/ALUMINIUM zobrazí podrobně pro každou tlačenou část průřezu mezi uvedenými mezihodnotami. Klasifikaci průřezu v našem příkladu pro prostý ohyb a pro prostý tlak si lze prohlédnout na obr. 06 a 07.


Číslování částí průřezu se uvádí v dialogu „c/t-části“ (obr. 08).


Autor

Sonja pracuje v Product Engineering a navíc podporuje i Customer Support. Zaměřuje se na RSECTION i ocelové a hliníkové konstrukce, kde své znalosti cíleně uplatňuje.

Odkazy
Reference


;