Analýza vlastností nosného modelu a překrývajícího spoje ze zpravodaje DIBt 04/2017
Analýza vlastností nosného modelu a překrývajícího spoje ze zpravodaje DIBt 04/2017
12.11.2025
060083
  • RFEM 6

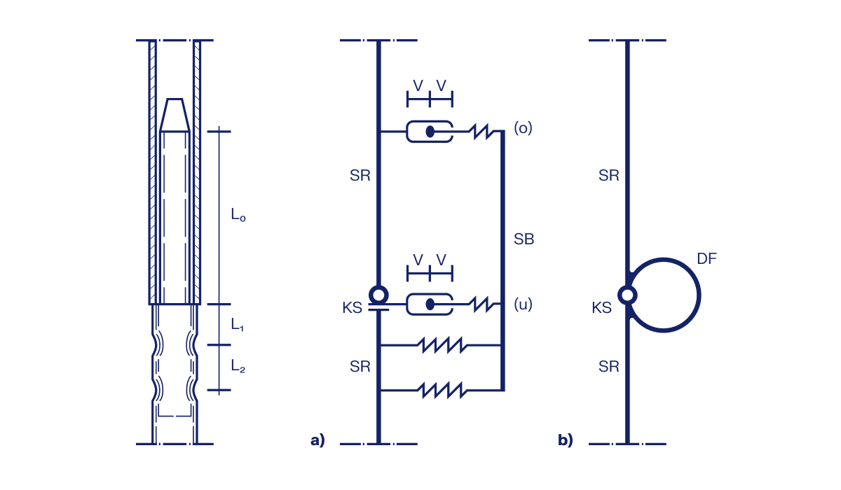
Nosný model „překrytí“ (podle DIBt Newsletter 04/2017)

Analýza vlastností nosného modelu a překrývajícího spoje ze zpravodaje DIBt 04/2017

Používá se v
  • Modelování a návrh styku sloupů lešení pomocí hybridního nosného modelu podle DIBt Newsletter 4/2017 v programech RFEM 6 / RSTAB 9
Sdílet