178x
002006
4.3.2026

Modelování a návrh styku sloupů lešení pomocí hybridního nosného modelu podle DIBt Newsletter 4/2017 v programech RFEM 6 / RSTAB 9

V tomto odborném článku se dozvíte, jak modelovat a navrhovat stojnicové spoje lešení v RFEM 6 / RSTAB 9 podle newsletteru DIBt 4/2017.

Pro realizaci mnoha stavebních projektů jsou zapotřebí lešení, ať už pracovní, nosná nebo ochranná lešení. Pro zajištění stability, funkčnosti a bezpečnosti kladou normy, jako např. EN 12810 a 12811, zvláštní požadavky na návrh, dimenzování a provedení lešení.

Podstatným aspektem při modelování a dimenzování takových lešení je realistické zobrazení spojů sloupků. K tomu poskytuje DIBt Newsletter 04/2017 [1] prakticky orientovaný návod.

Následně jsou uvedeny zásady modelování pro klouby lešení podle DIBt Newsletteru. Poté je na příkladu aplikace ukázáno modelování a dimenzování spoje sloupku v RFEM 6 / RSTAB 9.

Model kloubu lešení podle DIBt Newsletter 04/2017

Spoje sloupků lešení vykazují vysoce nelineární deformační chování při kombinovaném ohybu a normálové síle. Pro realistické zobrazení těchto nelinearit jsou v [1] předepsány různé nosné modely. V následujícím textu jsou podrobněji osvětleny nosné modely pro spoje sloupků typu A. Spoje sloupků typu B je zpravidla třeba posuzovat na základě výsledků zkoušek a v tomto odborném článku nejsou tématem. Typy A a B přitom rozlišují dva různé způsoby výroby spojů sloupků. U typu A je spojovací čep v trubce sloupku lisován tvarovým stykem. U typu B je spojovací čep vytvořen přímo z trubky sloupku samotné.

Nosný model překrytého spoje typu A

Nosný model překrytého spoje zohledňuje vůli při pootočení ve spoji sloupku, tedy vůli mezi spojovacím čepem a navazující trubkou sloupku. Při působícím ohybovém momentu je nejprve třeba překonat vůli při pootočení, než může být účinně přenesen ohybový moment.

Maximální úhel zalomení z vůle při pootočení se vypočte podle následujícího vzorce.

Přitom vo/u je hodnota přesahu, kterou lze opět vypočítat podle následujícího vzorce.

kde:
Do/u...vnější průměr trubky sloupku na horním, resp. dolním okraji překrytého spoje
to/u...tloušťka stěny trubky sloupku na horním, resp. dolním okraji překrytého spoje
do/u...vnější průměr spojovacího čepu na horním, resp. dolním okraji překrytého spoje

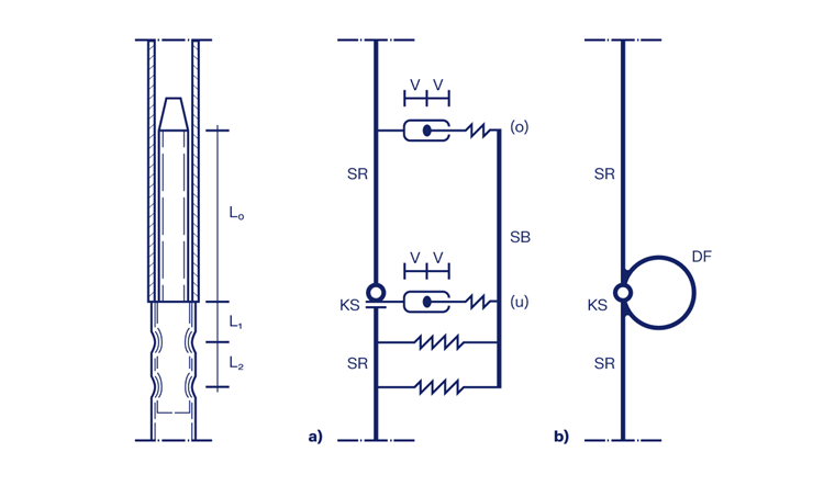
Následující obrázek ukazuje překrytý spoj jako detailní model (a) a zjednodušený model (b).

  • SR...trubka sloupku
  • KS...kontaktní spoj
  • SB...spojovací čep
  • DF...torzní pružina

V závislosti na hodnotě přesahu v a účinné délce překrytí L0 lze maximální volný úhel zalomení phiLose vypočítat podle výše uvedené rovnice. Před dosažením maximálního volného úhlu zalomení nedochází ve spoji sloupku k přenosu momentu. Po dosažení maximálního volného úhlu zalomení probíhá přenos momentu s tuhostí torzní pružiny CSB,d až do maximálního úhlu pootočení phimax. V [1] je předepsána tuhost torzní pružiny CSB,d = 10000 kNcm/rad. Podle technického schválení mohou být rozhodující i jiné hodnoty.

Maximální ohybová únosnost spojovacího čepu je v nosném modelu překrytého spoje označena jako MSB,Rd a maximální únosnost v normálové síle jako NKS,Rd.

Nosný model kontaktního spoje typu A

Nosný model kontaktního spoje zohledňuje přenos sil v kontaktní ploše mezi horní a dolní trubkou sloupku. Přitom je třeba uvažovat interakci mezi působící normálovou silou a ohybovým momentem.

Spojení trubek sloupku lze v rámci tohoto nosného modelu považovat za tuhé.

Maximální ohybová únosnost MKS,Rd je v nosném modelu kontaktního spoje dosažena při současném působení určité tlakové normálové síly. Je-li působící tlaková normálová síla příliš malá, vznikne v důsledku ohybu dříve rozevřená spára, která s rostoucí velikostí vede ke ztrátě rovnováhy nosného modelu kontaktního spoje. Příliš velká tlaková normálová síla naopak vede k předčasnému překročení napětí v kontaktním spoji v důsledku kombinovaného ohybu a normálové síly.

Při překročení maximální únosnosti v normálové síle NKS,Rd nebo maximální ohybové únosnosti MKS,Rd končí platnost nosného modelu kontaktního spoje. Výjimka zde platí, pokud je působící normálová síla menší než 50 % maximální odolnosti v normálové síle. V tomto případě je po dosažení maximální ohybové únosnosti přípustné dodatečné relativní pootočení trubek sloupku o phigrenz = 0,01 rad.

Hybridní nosný model typu A

Pro hospodárné a realistické modelování spojů sloupků lze vlastnosti obou uvedených nosných modelů kombinovat v hybridním nosném modelu. V hybridním nosném modelu probíhá nejprve přenos sil s tuhým spojením podle nosného modelu kontaktního spoje. Po dosažení M,KS,Rd dochází k přechodu do nosného modelu překrytého spoje. Může být přeneseno dodatečné ohybové momentové zatížení ve výši MSB,Rd, v jehož důsledku dochází k relativnímu pootočení trubek sloupku.

Interakci M-N-phi hybridního nosného modelu lze znázornit následujícím diagramem.

Modelování v RFEM 6 / RSTAB 9

Dříve popsané vlastnosti nosného modelu spojů sloupků typu A lze v RFEM 6 resp. RSTAB 9 realisticky zobrazit pomocí speciálního typu nelinearity „Gerüst N“ pro koncové klouby prutů. Kloub lešení ovlivňuje podmínky kloubu ux, phiy a phiz. Po zvolení kloubu lešení se zobrazí dvě další záložky. Na kartě „Gerüstdiagramm | Innenrohr“ definujete vlastnosti nosného modelu překrytého spoje. Na kartě „Gerüstdiagramm | Außenrohr“ definujete vlastnosti nosného modelu kontaktního spoje.

Příklad aplikace

Níže je na příkladu provedeno modelování a dimenzování spoje sloupku podle stavebního schválení Z-8.22-921 od DIBt [2].

Jsou známy následující parametry:

Geometrie:
Parameter Symbol Hodnota
Vnější průměr trubky D 48,3 mm
Tloušťka stěny vnější trubky t 3,2 mm
Vnější průměr vnitřní trubky d 38 mm
Tloušťka stěny vnitřní trubky ti 4 mm
staticky účinná délka překrytí L0 200 mm
Velikost šroubu -- M12

Materiálové charakteristiky:
Parameter Symbol Hodnota
Mez kluzu materiálu sloupku fy,d 0,32 kN/mm2
Jakost šroubu -- 10.9

Vnitřní síly:
Parameter Symbol Hodnota
Tlaková normálová síla NEd (-) -80 kN
Tahová normálová síla NEd (+) 20 kN
Ohybový moment MEd 70 kNcm

Odolnosti:
Parameter Symbol Hodnota
Tuhost torzní pružiny CSB,d 9290 kNcm/rad
Únosnost v tlakové síle NKS,Rd 83,2 kN
Únosnost v tahové síle ZRd 42,5 kN
Ohybová únosnost spojovacího čepu MSB,Rd 85,3 kNcm

Modelování kloubu lešení

Pro definici „Gerüstdiagramm | Innenrohr“ v RFEM 6 / RSTAB 9 jsou zapotřebí následující hodnoty:

  • Maximální úhel zalomení z vůle při pootočení phiLose

s

  • Ohybová únosnost ve spojovacím čepu MSB,Rd
  • Maximální úhel zalomení ve spoji sloupku phimax

Pomocí těchto informací lze „Gerüstdiagramm | Innenrohr“ definovat, jak je znázorněno na následujícím obrázku.

Pro definici „Gerüstdiagramm | Außenrohr“ v RFEM 6 je třeba stanovit ohybovou únosnost v kontaktním spoji v závislosti na působící normálové síle. K tomu musí být nejprve určeno maximální momentové zatížení přenositelné přes KS MKS,max podle následující rovnice:

Ohybová únosnost MKS,Rd v závislosti na působící normálové síle se pak vypočte následovně (zde příkladně s dosazenými hodnotami pro působící normálovou sílu 80 kN a únosnost v tlakové síle podle schválení 83,2 kN):

Z funkce MKS,Rd(NKS,Ed) lze poté sestavit „Gerüstdiagramm | Außenrohr“ podle následujícího obrázku.

Tím je zadání kompletní a chování zatížení a deformace kloubu lešení je v RFEM 6 realisticky zobrazeno.

Dimenzování spoje sloupku

Dále je třeba ověřit únosnost spoje sloupku při daných působících vnitřních silách NEd (-) = -80 kN, NEd (+) = 20 kN a MEd = 70 kNcm. K tomu je podle DIBt Newsletteru třeba prokázat momentovou a normálovou únosnost podle následujících rovnic:

Ohybovou únosnost MKS,Rd = 6,51 kNcm lze přitom přímo odečíst z „Gerüstdiagramm | Außenrohr“ (viz obrázek výše).

Dále je podle schválení [2] třeba prokázat únosnost při namáhání tahem podle následující rovnice:

Závěr

Byly osvětleny nosné modely pro spoje sloupků lešení podle [1]. Zadání kloubů lešení v RFEM 6 resp. RSTAB 9 bylo vysvětleno na příkladu aplikace. Zohledněním nelineárního zatěžovacího a deformačního chování kloubu lešení lze zajistit realistický výpočet vnitřních sil. Následně byla prokázána únosnost spoje sloupku podle stavebního schválení.


Autor

Pan Wanke zajišťuje technickou podporu zákazníkům společnosti Dlubal Software.

Reference


;