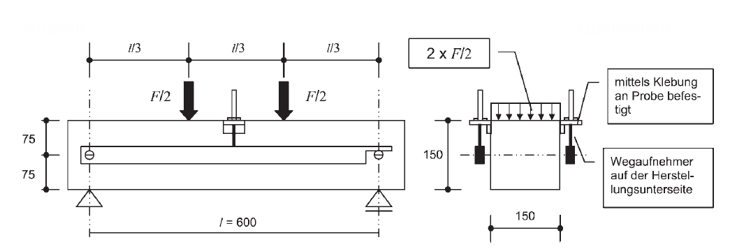
Prüfeinrichtung zur Ermittlung der Nachrissbiegezugfestigkeit (Abmessungen in mm)
Prüfeinrichtung zur Ermittlung der Nachrissbiegezugfestigkeit (Abmessungen in mm)
30. Mai 2024
008784
  • RFEM 5
  • RF-MAT NL 5
  • Industrie- und Anlagenbau
    • Stahlbetonbau
    • Statik und Tragwerksplanung
    • Nichtlineare Analyse
    • Spannungsnachweis
    • Eurocode 2

Prüfeinrichtung zur Ermittlung der Nachrissbiegezugfestigkeit (Abmessungen in mm)

Verwendet in
  • Ermittlung der Materialeigenschaften von Stahlfaserbeton und deren Verwendung in RFEM
Teilen