Träger-Träger-Anschluss mit "langem" Fahnenblech
Träger-Träger-Anschluss mit "kurzem" Fahnenblech
Betrachtete Arbeitsbühne
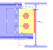
Fahnenblechanschluss
Bemessung mit RF-JOINTS Stahl - Gelenkig
Träger-Träger-Anschluss mit "langem" Fahnenblech
Träger-Träger-Anschluss mit "kurzem" Fahnenblech
Betrachtete Arbeitsbühne
Fahnenblechanschluss
Bemessung mit RF-JOINTS Stahl - Gelenkig
30. Mai 2024
009148
  • RFEM 5
  • RF-JOINTS Stahl | Gelenkig 5
  • RSTAB 8
    • Gelenkig 8
    • Stahlbau
    • Industrie- und Anlagenbau
    • Stahlverbindungen
    • Eurocode 3

Träger-Träger-Anschluss mit "langem" Fahnenblech

Verwendet in
  • Fahnenblechanschlüsse: Theorie und Anwendungsbeispiel
Teilen
30. Mai 2024
009149
  • RFEM 5
  • RF-JOINTS Stahl | Gelenkig 5
  • RSTAB 8
    • Gelenkig 8
    • Stahlbau
    • Industrie- und Anlagenbau
    • Stahlverbindungen
    • Eurocode 3
Träger-Träger-Anschluss mit "kurzem" Fahnenblech
Verwendet in
  • Fahnenblechanschlüsse: Theorie und Anwendungsbeispiel
Teilen
30. Mai 2024
009150
  • RFEM 5
  • RF-JOINTS Stahl | Gelenkig 5
  • RSTAB 8
    • Gelenkig 8
    • Stahlbau
    • Industrie- und Anlagenbau
    • Stahlverbindungen
    • Eurocode 3
Betrachtete Arbeitsbühne
Verwendet in
  • Fahnenblechanschlüsse: Theorie und Anwendungsbeispiel
Teilen
30. Mai 2024
009151
  • RFEM 5
  • RF-JOINTS Stahl | Gelenkig 5
  • RSTAB 8
    • Gelenkig 8
    • Stahlbau
    • Industrie- und Anlagenbau
    • Stahlverbindungen
    • Eurocode 3
Fahnenblechanschluss
Verwendet in
  • Fahnenblechanschlüsse: Theorie und Anwendungsbeispiel
Teilen
30. Mai 2024
009152
  • RFEM 5
  • RF-JOINTS Stahl | Gelenkig 5
  • RSTAB 8
    • Gelenkig 8
    • Stahlbau
    • Industrie- und Anlagenbau
    • Stahlverbindungen
    • Eurocode 3
Bemessung mit RF-JOINTS Stahl - Gelenkig
Verwendet in
  • Fahnenblechanschlüsse: Theorie und Anwendungsbeispiel
Teilen