29005x
001532
14. August 2018

Fahnenblechanschlüsse: Theorie und Anwendungsbeispiel

Fahnenblechanschlüsse sind eine beliebte Form der gelenkigen Stahlbauverbindungen und werden häufig für Nebenträger in Stahlkonstruktionen verwendet. Sie können problemlos in oberkantenbündigen Trägerkonstruktionen wie beispielsweise Arbeitsbühnen verwendet werden. Der Herstellungsaufwand in der Werkstatt sowie der Montageaufwand auf der Baustelle sind in der Regel überschaubar. Die Bemessung erscheint recht einfach und schnell erledigt, was aber im Nachfolgenden ein Stück weit wieder relativiert werden muss. Außerdem ist diese Anschlussform grundsätzlich als gelenkige Träger-Träger- und gelenkige Träger-Stützen-Verbindung möglich, wobei der erste Fall der wohl weit häufigere in der Bemessungspraxis ist.

In diesem Beitrag werden zunächst die häufigsten Formen von Fahnenblechanschlüssen dargestellt, deren jeweilige Vor- und Nachteile aufgelistet und zum Teil erläutert. Dabei werden Träger-Stützen-Konfigurationen nicht weiter betrachtet, auch wenn diese grundsätzlich möglich sind. Außerdem sollen ausführungstechnische Fragestellungen nicht vernachlässigt werden. Leider kommt es in der Bemessungspraxis von Stahlbauanschlüssen immer wieder vor, dass auf eine sinnvolle Ausführbarkeit der Verbindung nicht oder nur unzureichend geachtet wird. Diese möglichen Probleme sollen daher ebenfalls angesprochen werden.

Im zweiten Teil wird an einem mit RF-/JOINTS Stahl - Gelenkig durchgerechneten Beispiel die Berechnung und Bemessung von Fahnenblechanschlüssen nach EN 1993-1-8 [1] aufgezeigt und erläutert. Hierbei stehen einige Nachweise im Vordergrund, die mitunter in der Bemessungspraxis übergangen werden. Gründe hierfür gibt es einige, die zwei häufigsten sind wohl: Die Berechnung soll nicht zu aufwendig werden, denn schließlich handelt es sich ja bekanntlich "nur" um einen Anschluss eines Nebenträgers. Oder dem planenden Ingenieur fehlt die Kenntnis über die Notwendigkeit des einen oder anderen Nachweises.

Der vorliegende Beitrag soll über die Notwendigkeit des einen oder anderen Nachweises aufklären. Schließlich wird man im Schadensfall mit dem Scheinargument "Das hat früher auch ohne diesen Nachweis funktioniert!" nicht weit kommen. Im Rahmen der Nachweisführung wird recht schnell klar, wie aufwendig die Bemessung eines gelenkigen Fahnenblechanschlusses ist und wie wertvoll ein Bemessungsprogramm wie RF-/JOINTS Stahl - Gelenkig sein kann, um eine wirtschaftliche und normengerechte Bemessung in einer vernünftigen Bearbeitungszeit zu ermöglichen.

Im letzten Abschnitt soll aufgezeigt werden, welchen großen Nachteil Fahnenblechanschlüsse und auch andere gelenkige Anschlüsse haben: die zum Teil erhebliche Abminderung des kritischen Biegedrillknickmomentes. Die meisten gelenkigen Anschlüsse und insbesondere auch Fahnenblechanschlüsse können nämlich nicht als Gabellager angesehen werden, was bei stabilitätsgefährdeten Trägern zu einer erheblichen Tragwiderstandsminderung führen kann.

Ausbildungen von Fahnenblechanschlüssen

In diesem Abschnitt werden die häufigsten Formen von Fahnenblechanschlüssen als Träger-Träger-Konfiguration dargestellt und hinsichtlich ihrer Vor- und Nachteile in Berechnung und Bemessung sowie in der Herstellung und Montage beurteilt. Die angesprochenen Punkte stellen dabei lediglich Anregungen dar und es besteht kein Anspruch auf Vollständigkeit.

Grundsätzlich können Fahnenblechanschlüsse als Träger-Stützen-Anschlüsse sowie auch als Träger-Träger-Anschlüsse verwendet werden, wobei erstere im Nachfolgenden nicht weiter vertieft werden sollen. In den allermeisten Fällen sind andere gelenkige Anschlussformen bei Träger-Stützen-Verbindungen günstiger.

Hauptproblem der Fahnenblechanschlüsse bei der Montage ist, dass man Herstelltoleranzen wie Über- oder Unterlängen des Trägers nicht gezielt ausgleichen kann, wie es bei gelenkigen Stirnplattenverbindungen oder Doppelwinkelanschlüssen möglich ist. Hierbei werden die Träger gezielt mit einer Unterlänge entsprechend der normengerechten, maximalen Toleranz hergestellt. Die so erhaltene Unterlänge kann dann auf der Baustelle durch mitgelieferte Futterbleche ausgeglichen werden.

Die Tatsache, dass Fahnenblechanschlüsse eben zu diesem Verfahren nicht in der Lage sind, sorgt dafür, dass diese nicht zwischen zwei Stützen angeordnet werden sollten, da es passieren kann, dass man den Träger nur mit Gewalt einbauen kann. Abgesehen davon, dass die Monteure hiermit Probleme haben, führt man auch noch Zwangsbeanspruchungen in das Tragwerk ein, die es eigentlich zu vermeiden gilt.

Ein großer Vorteil der Fahnenblechanschlüsse allgemein ist die geringere Kleinteiligkeit gegenüber den meisten anderen gelenkigen Anschlussformen. Bis auf die Schrauben werden keine Kleinteile benötigt.

Im Nachfolgenden werden die beiden häufigsten Formen von Fahnenblechanschlüssen als Träger-Träger-Verbindung dargestellt. Man spricht dabei vom Anschluss mit "langem" oder mit "kurzem" Fahnenblech.

Träger-Träger-Anschlüsse mit "langem" Fahnenblech:

Anschlüsse mit "langem" Fahnenblech zeichnen sich dadurch aus, dass im angeschlossenen Träger keine Ausklinkungen erforderlich sind, was zu einem langen Fahnenblech führt. Die zwei größten Vorteile dieses Verbindungstyps sind wohl der geringere Aufwand in der Werkstatt, da keine aufwendig herzustellende Ausklinkung erforderlich wird, und die Tatsache, dass bei der Montage des Trägers keine Probleme beim Einschwenken des Einzelträgers zu erwarten sind.

Der große Nachteil dieser Anschlussform ist, dass man sich häufig weit weg von einem Gabellager befindet. Sollte für den Träger also Biegedrillknicken möglich sein, so ist die geringe Verdrehsteifigkeit des Anschlusses unbedingt bei der Trägerbemessung zu berücksichtigen. Da im Stahlbau Aufsteller der Genehmigungsstatik häufig jemand anderes ist als derjenige, der die Anschlüsse bemisst, kann es hier zu Problemen kommen.

Da bei dieser Anschlussform das Fahnenblech auch an einem oder beide Flansche des Hauptträgers angeschweißt wird, entsteht quasi eine Barriere. Das führt bei feuerverzinkten Konstruktionen dazu, dass zusätzliche Bohrungen und Aussparungen im Fahnenblech erforderlich werden, damit das flüssige Zink beim Herausziehen aus dem Zinkbad ablaufen kann. Ob der Konstrukteur diese bereits in die Planung einbeziehen muss, hängt häufig vom abgeschlossenen Vertrag ab. In der statischen Berechnung beziehungsweise der Bemessung können diese zusätzlichen Öffnungen in der Regel vernachlässigt werden.

Wegen der großen Exzentrizität bei dieser Anschlussvariante werden schnell größere Blechstärken für die Fahne erforderlich. Dies führt wiederum dazu, dass die Schweißnähte recht stark auszuführen sind, da diese eine größere Tragfähigkeit als das angeschlossene Blech haben sollen, um ein duktiles Bauteilverhalten sicherzustellen. Hierbei ist stets daran zu denken, dass bei Kehlnähten mit dem Wurzelmaß 6 mm und mehr mehrlagig zu schweißen ist. Der Anschluss wird daher in materialtechnischer Hinsicht und in der Herstellung schnell unwirtschaftlich.

Träger-Träger-Anschlüsse mit "kurzem" Fahnenblech:

Die Anschlussvariante besitzt alle Vorteile der Konfiguration mit "langem" Fahnenblech bis auf die sichergestellte, problemfreie Montage des Einzelträgers. Bei kleineren Trägerabständen kann es sein, dass sich der Einzelträger nicht an den Einbauort einschwenken lässt.

Da Arbeitsbühnen und Laufstege jedoch häufig am Boden vormontiert werden und anschließend als Ganzes oder in großen Teilen (Baugruppen) an den Einbauort geschwenkt und eingebaut werden, gibt es den Fall des Einschwenkens des Einzelträgers und die damit verbundenen Probleme recht selten. In jedem Falle sollte sich der planende Ingenieur und/oder Konstrukteur möglichst mit der Montagetechnologie des ausführenden Unternehmens vertraut machen.

Ein weiterer Vorteil der Variante mit "kurzem" Fahnenblech ist die in der Regel recht geringe Anschlussexzentrizität, was häufig zu wirtschaftlicheren Ergebnissen führt als bei der Variante mit "langer" Fahne.

Ein Nachteil dieser Verbindungsform ist das in der Regel notwendige Ausklinken des Nebenträgers, was zwei, in bestimmten Fällen auch drei Probleme mit sich bringt. Zunächst ist hier der Fertigungsmehraufwand anzusprechen, wobei dies für moderne Werkstätten kaum gilt.

Das zweite Problem liegt in der geringeren Trägertragfähigkeit im ausgeklinkten Bereich. Hier sind extra Nachweise erforderlich, die in manchen Fällen auch die maßgebenden Nachweise werden. Das ist insbesondere der Fall, wenn beidseitig, also am oberen und unteren Flansch des Trägers, Ausklinkungen notwendig sind. Dies trifft zu, wenn Neben- und Hauptträger annähernd gleich hoch sind.

Das dritte Problem, welches sich aus der Ausklinkung ergeben könnte, tritt nur bei feuerverzinkten Konstruktionen aus höherfesten Baustählen (ab S355) auf. Hierbei ist nachzuweisen, dass es beim Vorgang des Feuerverzinkens nicht zu einer Rissbildung im Bereich der Ausklinkung kommt. Dies kann gemäß der DASt-Richtlinie 022 durch rechnerischen Nachweis oder durch Klassifizierung des Details erfolgen. Der zweite dürfte der Regelfall sein.

Bemessungsbeispiel eines kurzen, ausgeklinkten Fahnenblechanschlusses

In diesem Abschnitt wird die Berechnung und Bemessung eines Fahnenblechanschlusses nach EN 1993-1-8 [1] dargestellt und in Teilen erläutert. Bild 03 zeigt die betrachtete Arbeitsbühne. Sie hat eine Grundfläche von 4,00 m x 4,00 m, ist auf einer Seite durch Hänger an der darüberliegenden Hauptbühne angehangen und auf der anderen Seite an die Hauptkonstruktion angeschlossen. Die Bühne kann wegen der Lagerung also aus der globalen Berechnung "herausgetrennt" werden, was zwar nicht unbedingt notwendig ist, aber meist zu einer übersichtlicheren und mitunter schnelleren Berechnung und Bemessung führt.


Es soll im Nachfolgenden davon ausgegangen werden, dass die betrachtete Bühne am Boden vormontiert und anschließend als Ganzes an den Einbauort geschwenkt und eingebaut wird. Daher soll eine Anschlussvariante mit kurzem Fahnenblech zum Einsatz kommen.

Die (Vor-)Bemessung mit Hilfe des Zusatzmoduls RF-/STAHL EC3 hat einen Hauptträgerquerschnitt IPE220-S235JR und einen Bühnenträgerquerschnitt IPE180-S235JR ergeben. Die Hänger werden aus konstruktiven Gründen als IPE160-S235JR ausgeführt. Die Bühnenaussteifung soll hier nicht weiter betrachtet werden.

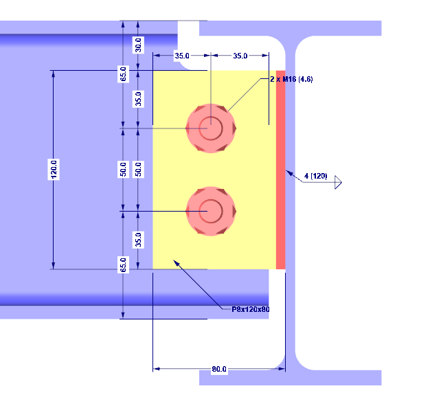
Bild 04 zeigt den Fahnenblechanschluss mit seinen wichtigsten Abmessungen. Weitere Abmessungen werden gegebenenfalls während der Bemessung angegeben. Die Anschlussschnittgrößen betragen:

Bevor die Bemessung im Einzelnen durchgeführt und teilweise erläutert wird, soll zunächst eine selbstverständliche Forderung erwähnt werden, nämlich die, dass die Höhe des Fahnenblechs geringer sein muss als die Höhe des Nebenträgerstegs. Diese Forderung soll einen Kontakt zwischen angeschlossenem Träger und der unterstützenden Bauteile verhindern. Dieses Ziel verfolgt auch die erste Nachweiskomponente, welche im Folgenden dargestellt ist.

Zulässige Verdrehung in gelenkiger Verbindung:

Dieser Nachweis gehört zu denjenigen, die in der Bemessungspraxis gern übergangen werden, dabei stellt dieser sicher, dass dort eine gelenkige Verbindung angenommen werden kann, wo in der Berechnung der Schnittgrößen eine angenommen wurde. Bei diesem Nachweis wird ein Drehpunkt im geometrischen Schwerpunkt der Schraubenbildes angenommen. Berechnet wird dann ein Winkel, ab dem ein Kontakt zwischen Trägerflansch und unterstützenden Bauteil (hier Hauptträgersteg) entsteht.

Kontakt ist grundsätzlich möglich.

Der Anschluss kann die auftretenden Verdrehungen von 0,45° aufnehmen, der Nachweis ist erfüllt.

Vermeidung von vorzeitigem Schweißnahtversagen:

Grundsätzlich hat die Bemessung der Schweißnähte gemäß Abschnitt 4 der EN 1993-1-8 [1] zu erfolgen. Bei relativ geringen Beanspruchungen, verglichen mit der Querkrafttragfähigkeit des angeschlossenen Trägers, können die erforderlichen Schweißnähte sehr dünn werden. In diesem Falle ist es häufig so, dass die Schweißnahttragfähigkeit geringer ist als die Tragfähigkeit der anderen Komponenten. Die Folge ist, dass ein eventuelles Versagen des Anschlusses durch einen spröden Bruch der Schweißnaht gekennzeichnet ist. Der Anschluss besitzt quasi keine Duktilität.

Die gewählte Schweißnahtdicke wurde mit 4 mm angenommen. Somit ist dieses Kriterium eingehalten.

Abscherversagen der Einzelschraube:

Einzige Schwierigkeit dieses Nachweises ist die korrekte Aufteilung der Anschlussschnittgrößen auf die Einzelschrauben. Generell ist die Aufteilung der Kräfte in zahlreichen Lehrbüchern zu finden, sodass diese hier nicht vertieft dargestellt werden soll.

Duktiles Abscherversagen der Schraubengruppe:

Diese Nachweisbedingung soll sicherstellen, dass eine plastische Neuverteilung der Schnittgrößen vom tatsächlichen Zustand hin zum Bemessungszustand erfolgen kann. Dieses Kriterium sollte außerdem niemals maßgebend werden, das heißt, es sollte bei diesem Nachweis niemals die maximale Auslastung entstehen.

Lochleibungsversagen eines Schraubenloches im Fahnenblech:

Da die Scherfugenanzahl bei einem Fahnenblechanschluss stets 1 beträgt, entsprechen die Kraftanteile denen des Abscherversagens. Eine Neuberechnung ist somit nicht erforderlich.

Schubversagen im Bruttoquerschnitt des Fahnenblechs:

Schubversagen im Nettoquerschnitt des Fahnenblechs:

Blockversagen der Schraubengruppe im Fahnenblech:

Der Nachweis gegen Blockversagen der Schraubengruppe stellt wie der Abscher- und der Lochleibungsnachweis der Einzelschraube einen Standardnachweis dar, welcher an dieser Stelle nicht weiter erläutert wird. Für eine genauere Darstellung der Bemessungsformeln wird auf diverse Lehrbücher verwiesen.

Biegeversagen des Fahnenbleches:

Dieser Versagensmechanismus könnte in vielen Fällen entfallen. Da der Aufwand für die Berechnung der Tragfähigkeit für Fahnenblechbiegung jedoch recht überschaubar ist, wird im Allgemeinen stets eine Widerstandsgröße berechnet. Es ist jedoch auszuschließen, dass dieser Versagensmechanismus maßgebend werden kann, wenn die Höhe des Fahnenblechs das 2,73-fache des Hebelarms z übersteigt. In diesem Falle ist die Tragfähigkeit für Biegung stets höher als die für Schubversagen im Bruttoquerschnitt des Fahnenblechs.

Beulen des Fahnenbleches:

Dieser Nachweis wird in der Bemessungspraxis gern übergangen. Dabei kann er bei ungünstigen geometrischen Bedingungen gerade der maßgebende Nachweis werden. Der Nachweis entstammt der alten britischen Stahlbauvorschrift BS 5950-1 [3] aus dem Jahre 2000. Für genauere Betrachtungen wird daher hier auf diese Vorschrift verwiesen, sowie die kommentierende Literatur.

Die Beultragfähigkeit (eigentlich eine Biegedrillknicktragfähigkeit) ist also abhängig von einer Festigkeit des Fahnenbleches für Biegedrillknicken, welche wiederum von der Schlankheit des Bleches abhängt. Der Wert der Festigkeit kann der britischen Vorschrift BS 5950-1 [3] in Tabelle 17 entnommen werden, wobei zu erwähnen ist, dass im Vereinigten Königreich Baustähle der Festigkeit S235 nicht oder kaum verwendet werden, weshalb keine Werte explizit für diesen Stahl enthalten sind. Es können aber die Werte des S275 und der Streckgrenze S235 verwendet werden.

Theoretisch wäre hiermit eine Bemessung für Beulen möglich, was aber nicht als sinnvoll erachtet wird. Besser erscheint, diese Versagensform des Fahnenbleches vollständig auszuschließen. Dies kann als gegeben angesehen werden, wenn folgender Nachweis eingehalten ist.

Zugversagen des Fahnenbleches im Bruttoquerschnitt:

Dieser Nachweis ist nur bei auftretenden Normalkräften im Anschluss erforderlich. Trotz der geringen Beanspruchungen aus Normalkraft, welche als vernachlässigbar eingestuft werden könnten, wird der Nachweis der Vollständigkeit halber aufgeführt.

Zugversagen des Fahnenbleches im Nettoquerschnitt:

Festigkeitsnachweis des Trägers im ausgeklinktem Bereich:

Dieser Nachweis wird häufig maßgebend, wenn auf beiden Seiten des Trägers Ausklinkungen erforderlich werden. Hierbei muss nachgewiesen werden, dass auftretende Biegemomente und Querkräfte im ausgeklinkten Bereich des Trägers auch sicher aufgenommen werden können.

Die Querkraft kann bei der weiteren Bemessung vernachlässigt werden. Theoretisch könnte auch ein Vergleichsspannungsnachweis erfolgen, was im Weiteren aber vernachlässigt wird. Es wird lediglich die Normalspannung aus den Biegemomenten und den Normalkräften ermittelt und nachgewiesen.

Lochleibungsversagen eines Schraubenloches im Trägersteg:

Die einwirkenden Kräfte entsprechen denen im Fahnenblech. Die Widerstände müssen jedoch wegen der unterschiedlichen Blechdicken neu berechnet werden.

Schubversagen im Bruttoquerschnitt des Trägersteges:

Schubversagen im Nettoquerschnitt des Trägersteges:

Blockversagen der Schraubengruppe im Trägersteg:

Zugversagen des Trägersteges im Bruttoquerschnitt:

Dieser Nachweis ist nur bei auftretenden Normalkräften im Anschluss erforderlich. Trotz der geringen Beanspruchungen aus Normalkraft, welche als vernachlässigbar eingestuft werden könnten, wird der Nachweis hier der Vollständigkeit halber aufgeführt.

Zugversagen des Trägersteges im Nettoquerschnitt:

Biegeversagen des Hauptträgersteges:

Dieser Nachweis ist erforderlich bei einseitigen und bei zweiseitigen, aber ungleich belasteten Fahnenblechanschlüssen an einen Stützensteg. Dieser Nachweis sollte auch geführt werden, wenn ein Fahnenblech lediglich an einen Trägersteg angeschweißt wird. Dies stellt sicher nicht die Regelvariante dar, da man in der Bemessungspraxis das Fahnenblech mindestens noch an einen Hauptträgerflansch anschweißen wird. In diesem Beispiel wurde jedoch bewusst eine solche Anschlusskonfiguration gewählt, um diesen Nachweis kurz aufzuzeigen.

Aufgrund der geringen Normalkräfte würde man den Nachweis in der Bemessungspraxis ebenso vernachlässigen, da ein Hauptträgerstegversagen von vornherein ausgeschlossen werden kann.

An dieser Stelle ist die Bemessung des Anschlusses erfolgreich abgeschlossen. Alle Nachweisbedingungen sind eingehalten.

Es sei an dieser Stelle auch noch erwähnt, dass die Bemessung nur eine Lastkombination beinhaltete. Theoretisch müsste man die Bemessung für alle möglichen Bemessungskombinationen einzeln durchführen, was doch sehr umfangreich wäre. In der Bemessungspraxis geht man hierbei häufig so vor, dass man die Schnittgrößen aus einer Umhüllenden heranzieht, was im schlechtesten Falle aber zu sehr unwirtschaftlichen Anschlüssen führen kann.

Einfluss der Anschlussausbildung auf die Stabilität des Bauteils

Abschließend wird das größte Problem angesprochen, welches Fahnenblechanschlüsse, aber auch andere Formen des gelenkigen Anschlusses haben: die zum Teil große Abweichung von einem Gabellager. Diese Abweichung ist im Gegensatz zu den biegesteifen Anschlüssen meist auf unsicherer Seite liegend und somit auch in sicherheitstechnischer Hinsicht von erheblicher Bedeutung.

Es wird im Nachfolgenden nicht der eine richtige Bemessungsweg für dieses Problem aufgezeigt, sondern wie ein planender Ingenieur damit umgehen könnte.

Im Stahlbau kommt es häufig vor, dass der für die Trägerbemessung verantwortliche Ingenieur nicht alle Anschlüsse der Konstruktion bemisst. Im Regelfall wird er die Stützenfüße sowie die Hauptanschlüsse der Konstruktion bemessen und die Nebenanschlüsse dem ausführenden Unternehmen überlassen. Die in dem Unternehmen tätigen Ingenieure und Konstrukteure wissen ohnehin am besten, welche Anschlüsse sich für deren Technologie in Fertigung und Montage eignen.

Das große Problem bei dieser Arbeitsfolge ist, dass der für die Trägerbemessung zuständige Planer sich kaum Gedanken macht, ob seine Nebenträger auch entsprechend seiner Annahmen angeschlossen werden. Bei biegedrillknickgefährdeten Bühnenträgern wird er häufig von einem Gabellager an den Trägerenden ausgehen, was dem Planer der Anschlüsse mitunter aber Probleme machen wird. Die Frage hierbei ist also, was der Planer bereits im Rahmen der Trägerbemessung tun könnte, um dem nachfolgenden Anschlussplaner die Arbeit zu erleichtern.

In der alten deutschen Stahlbaunorm DIN 18800-2 gab es noch die Möglichkeit Trägerausklinkungen im Biegedrillknicknachweis zu berücksichtigen, indem man dem ausgeklinktem Träger den Trägerbeiwert n = 2,0 zuweist (im Gegensatz zum nicht ausgeklinktem Träger n = 2,5). Dies entspräche im aktuellen Eurocode-Nachweis für Biegedrillknicken einer Einstufung in eine Biegedrillknicklinie ungünstiger, also beispielsweise von Knicklinie b zu c. Eine solche Berücksichtigung einer Ausklinkung ist in der EN 1993-1-1 [2] nicht vorgesehen. Diese Umstufung der Knicklinie für gelenkig angeschlossene Nebenträger einer Stahlkonstruktion sollte stets durchgeführt werden, da man somit dem nachfolgenden Anschlussplaner die Möglichkeit gibt, in diesem Punkt nicht unbedingt ein Gabellager herstellen zu müssen. Eine Alternative zu dieser Umstufung der Knicklinie wäre, die Auslastung der Nebenträger für Biegedrillknicken auf einen bestimmten Wert zu begrenzen (zum Beispiel 80 %).

Im Rahmen der Anschlussbemessung muss der zuständige Planer dann ohnehin den Nachweis des Nebenträgers für die geringere Anschlusssteifigkeit nachweisen, was ihm aber nur möglich sein wird, wenn er ein paar Reserven aus der ursprünglichen Planung bekommt. Wie dieser Nachweis aussehen kann, ist dem planenden Ingenieur überlassen. Leider gibt die Normung hier keine Hilfestellung.

Der Nachweis des Trägers unter Berücksichtigung der geringeren Anschlusssteifigkeit kann grundsätzlich auf zwei Wegen erfolgen: entweder durch direkte Berücksichtigung in der Lagerung mit Hilfe einer Torsionsfeder oder mit Hilfe von Tabellenwerten oder Diagrammen zur Ermittlung des elastischen Biegedrillknickmomentes.

Der zweite Fall ist die Vorzuglösung, sofern ein Ersatzstabnachweis von Hand geführt werden soll. Da die Nachweisführung im Speziellen nicht Gegenstand dieses Beitrages ist, wird lediglich auf hilfreiche Literaturquellen verwiesen. Besonders empfehlenswert sind die Beiträge [5], [6] und [7]. Leider ist der zu [6] und [7] gehörige Forschungsbericht des DASt noch nicht veröffentlicht, welcher sicher die wohl hilfreichste, deutschsprachige Quelle hinsichtlich dieser Problematik darstellen würde.

Die Möglichkeit eine entsprechende Torsionsfeder zu berücksichtigen ist wohl der Lösungsansatz, sofern man den Nachweis mit Hilfe des Allgemeinen Verfahrens nach Abschnitt 6.3.4 der EN 1993-1-1 [2] oder mit Hilfe einer Berechnung nach Biegetorsionstheorie II. Ordnung führen möchte. Um an solche Federkennwerte zu gelangen, ist eine Berechnung mit Hilfe der FE-Methode denkbar, beispielsweise mit RFEM.


Links
Referenzen
Downloads


;